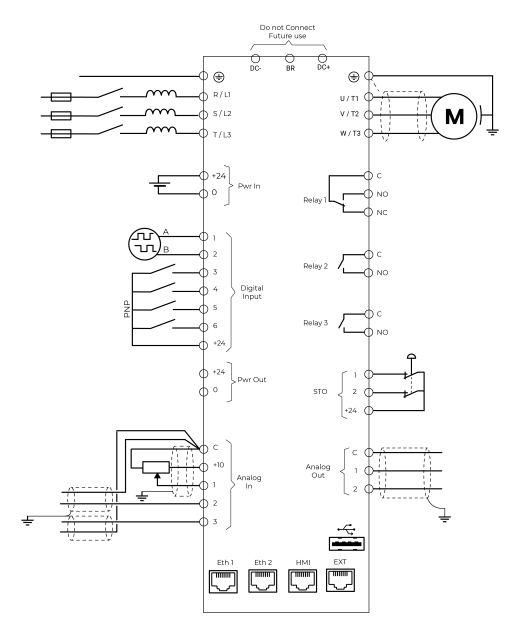
Standard connection diagram
Wiring rules⚓
- Install the ground connection as specified in following sections.
- When you wire power and control cables in the terminal blocks, only use cables that meet the required specification for the safe and reliable operation of the product.
- Read the following information carefully before doing the wiring connections to the Clean Power VFD.
- Refer to the following information to assist you with cable selection.
