DESCRIPTION

This section provides illustrations identifying connector, ground, and splice locations in the vehicle. Connector, ground, and splice indexes are provided. Use the wiring diagrams in each section for connector, ground, and splice identification. Refer to the index for the proper figure number. For items that are not shown in this section N/S is placed in the Fig. column.


CONNECTORS

Connector Name/Number
Color
Location
Fig.
Actuator-Recirculation Door
Black
Passenger Side Instrument Panel
N/S
Airbag–Driver Squib 1
Black/Yellow
On Steering Wheel
N/S
Airbag–Driver Squib 2
Natural/Yellow
On Steering Wheel
N/S
Airbag–Passenger Squib 1
Black/Yellow
Passenger Side Instrument Panel
N/S
Airbag–Passenger Squib 2
Lt.Gray/Yellow
Passenger Side Instrument Panel
N/S
Airbag-Seat Squib-Left (Side Airbags)
Black/Yellow
Left Side of Left Seat
N/S
Airbag-Seat Squib-Right (Side Airbags)
Black/Yellow
Right Side of Right Seat
N/S
Amplifier-Radio C1

Below Driver Side Instrument Panel
N/S
Amplifier-Radio C2
Black
Below Driver Side Instrument Panel
N/S
Antenna-Global Positioning System (Navigation)
Gray
Near Antenna
N/S
Antenna-Radio
Black
Right Side Instrument Panel
RIGHT SIDE INSTRUMENT PANEL
Antenna-Satellite
Black
Roof Near Right B-Pillar
ROOF
Assembly-EGR Valve (Gas)
Black
On Engine
N/S
Assembly-Glow Plug (Diesel)
Black
On Engine
N/S
Assembly-Tail Lamp-Left
Dk. Gray
Left Rear Body
LEFT REAR BODY (4 DOOR), LEFT REAR BODY (2 DOOR)
Assembly-Tail Lamp-Right
Dk. Gray
Right Rear Body
REAR BODY AND SWINGGATE
Assembly-Shifter Lever (EATX)
Lt.Gray
Front Center Body
FRONT CENTER BODY
Assembly-Transmission Solenoid/Pressure Switch (RLE)
Brown
On Transmission
N/S
Assembly-Transmission Solenoid/Trs (RFE)
Black
On Transmission
N/S
Assembly-Variable Line Pressure (RLE)
Black
On Transmission
N/S
Backlite-Electric Heated (Ground)

On Backlite
N/S
Backlite-Electric Heated (Power)
-
On Backlite
N/S
Battery-Cabin Heater-Eyelet (Diesel)
-
Passenger Side Engine Compartment
LEFT ENGINE COMPARTMENT (RHD DIESEL), RIGHT ENGINE COMPARTMENT (LHD DIESEL)
Battery-Generator-Eyelet (Gas)
-
On Battery
N/S
Battery-Glow Plug-Eyelet (Diesel)
-
On Battery
N/S
Battery-Negative (Diesel)
-
At Battery
PASSENGER SIDE ENGINE COMPARTMENT
Battery-Negative (Gas)
-
At Battery
PASSENGER SIDE ENGINE COMPARTMENT
Battery-Negative-Eyelet
-
On Engine Harness
N/S
Battery-Positive (Diesel)
-
At Battery
PASSENGER SIDE ENGINE COMPARTMENT
Battery-Positive (Gas)
-
At Battery
PASSENGER SIDE ENGINE COMPARTMENT
C100
Black
Rear Engine Compartment
LEFT ENGINE COMPARTMENT (LHD GAS), LEFT ENGINE COMPARTMENT (RHD GAS), RIGHT ENGINE COMPARTMENT (RHD DIESEL), RIGHT ENGINE COMPARTMENT (LHD DIESEL)
C101 (Diesel)
Dk. Gray
Engine Harness to Battery Harness
N/S
C102 (Gas)
Black
Engine Harness to Intake Harness
N/S
C103
Black
Passenger Side Front Engine Compartment
RIGHT ENGINE COMPARTMENT (LHD GAS), LEFT ENGINE COMPARTMENT (RHD GAS), LEFT ENGINE COMPARTMENT (RHD DIESEL), RIGHT ENGINE COMPARTMENT (LHD DIESEL)
C104
Dk. Gray
Driver Side Front Engine Compartment
LEFT ENGINE COMPARTMENT (LHD GAS), 6 RIGHT ENGINE COMPARTMENT (RHD GAS), RIGHT ENGINE COMPARTMENT (RHD DIESEL), LEFT ENGINE COMPARTMENT (LHD DIESEL)
C105
Black
Passenger Side Engine Compartment
RIGHT ENGINE COMPARTMENT (LHD GAS), LEFT ENGINE COMPARTMENT (RHD GAS), LEFT ENGINE COMPARTMENT (RHD DIESEL), RIGHT ENGINE COMPARTMENT (LHD DIESEL)
C106
Black
Rear Engine Compartment
RIGHT ENGINE COMPARTMENT (LHD GAS), LEFT ENGINE COMPARTMENT (RHD GAS), LEFT ENGINE COMPARTMENT (RHD DIESEL), RIGHT ENGINE COMPARTMENT (LHD DIESEL)
C107 (Diesel)
Dk. Gray
Rear Engine Compartment
LEFT ENGINE COMPARTMENT (RHD DIESEL), RIGHT ENGINE COMPARTMENT (LHD DIESEL)
C108
Black
Left Front Engine Compartment
N/S
C109
Black
Right Front Engine Compartment
N/S
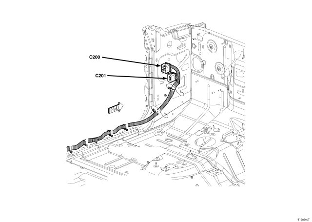
C200
Black
Passenger Side Instrument Panel
LOWER RIGHT INSTRUMENT PANEL, LEFT FRONT BODY (RHD), RIGHT BODY (4 DOOR), RIGHT BODY (2 DOOR)
C201 (4 Door Except Base)
Black
Passenger Side Instrument Panel
LOWER RIGHT INSTRUMENT PANEL, LEFT FRONT BODY (RHD), RIGHT BODY (4 DOOR)
C202
Black
Front of Left Front Door
DOORS
C203
Black
Front of Right Front Door
DOORS
C300
Black
Right Front Engine Compartment
RIGHT ENGINE COMPARTMENT (LHD GAS), RIGHT ENGINE COMPARTMENT (RHD DIESEL), RIGHT ENGINE COMPARTMENT (LHD DIESEL)
C301 (Export)
Dk. Gray
Left Rear Body
LEFT REAR BODY (4 DOOR), LEFT REAR BODY (2 DOOR)
C302 (4 Door)
Black
Lower Left B-Pillar
LEFT BODY, DOORS
C303 (4 Door)
Black
Lower Right B-Pillar
RIGHT BODY (4 DOOR), DOORS
C304 (Side Airbags)
Yellow
Body Floor Under Left Seat
CENTER BODY, DRIVER SEAT TRACK
C305 (Side Airbags)
Yellow
Body Floor Under Right Seat
CENTER BODY, PASSENGER SEAT TRACK
C306 (Except Export)
Dk. Gray
Body Floor Under Left Seat
CENTER BODY, DRIVER SEAT TRACK
C306 (Export)
Black
Body Floor Under Right Seat
CENTER BODY
C307 (Except Export)
Dk. Gray
Body Floor Under Right Seat
CENTER BODY, PASSENGER SEAT TRACK
C308
Lt. Gray
Roof Near Right B-Pillar
RIGHT BODY (4 DOOR), RIGHT BODY (2 DOOR)
C309 (Hard Top)
Black
Left Rear Body
LEFT REAR BODY (4 DOOR), LEFT REAR BODY (2 DOOR)
C310 (4 Door Except Base)
Lt. Gray
Body Floor Between Front Seats
CENTER BODY
C311 (Trailer Tow)
Dk. Gray
On Trailer Tow Harness
N/S
Cluster C1
Black
Driver Side Instrument Panel
N/S
Cluster C2
Brown
Driver Side Instrument Panel
N/S
Cluster C3
Black
Driver Side Instrument Panel
N/S
Clutch-A/C Compressor
Black
On Engine
N/S
Coil-Ignition (Gas)
Dk. Gray
on Engine
N/S
Control-A/C-Heater C1
Black
Center Instrument Panel
N/S
Control-A/C-Heater C2
Black
Center Instrument Panel
N/S
Data Link Connector
Black
Lower Driver Side Instrument Panel
N/S
Fan Module-Radiator Cooling
Dk. Gray
Front Engine Compartment
N/S
Generator (Diesel)
-
On Engine
N/S
Generator (Gas)
Black
On Engine
N/S
Generator-Eyelet (Diesel)
-
At Generator
N/S
Generator-Eyelet (Gas)
-
At Generator
N/S
Heater-Cabin (Diesel)
Black
Lower Left Instrument Panel
N/S
Heater-Crankcase Vent (Diesel)
Black
On Engine
N/S
Heater-Fuel (Diesel)
Black
Left Rear Engine
LEFT ENGINE COMPARTMENT (RHD DIESEL), LEFT ENGINE COMPARTMENT (LHD DIESEL)
Horn C1
Black
Right Front Engine Compartment
N/S
Horn C2
Black
Right Front Engine Compartment
N/S
Injector-Fuel 1 (Diesel)
Black
On Engine
N/S
Injector-Fuel 1 (Gas)
Black
On Engine
N/S
Injector-Fuel 2 (Diesel)
Black
On Engine
N/S
Injector-Fuel 2 (Gas)
Black
On Engine
N/S
Injector-Fuel 3 (Diesel)
Black
On Engine
N/S
Injector-Fuel 3 (Gas)
Black
On Engine
N/S
Injector-Fuel 4 (Diesel)
Black
On Engine
N/S
Injector-Fuel 4 (Gas)
Black
On Engine
N/S
Injector-Fuel 5 (Gas)
Black
On Engine
N/S
Injector-Fuel 6 (Gas)
Black
On Engine
N/S
Lamp-Cargo (4 Door)
Black
Center Rear Roof
TOP REAR BODY
Lamp-Center High Mounted Stop
Lt. Gray
Left Side of Swinggate
REAR BODY AND SWINGGATE
Lamp-Courtesy-Driver
Black
Below Driver Side Instrument Panel
N/S
Lamp-Dome
Black
Center of Sport Bar
N/S
Lamp-Fog-Left Front
Black
Lower Left Front Fascia
N/S
Lamp-Fog-Left Rear (Export)
Gray
Lower Left Rear Fascia
N/S
Lamp-Fog-Right Front
Black
Lower Right Front Fascia
N/S
Lamp-Fog-Right Rear (Export)
Gray
Lower Right Rear Fascia
N/S
Lamp-Headlamp-Left (Except Export)
Green
Left Front Engine Compartment
N/S
Lamp-Headlamp-Left (Export)
Black
Left Front Engine Compartment
N/S
Lamp-Headlamp-Right (Except Export)
Green
Right Front Engine Compartment
N/S
Lamp-Headlamp-Right (Export)
Black
Right Front Engine Compartment
N/S
Lamp-License (Except Export)
Black
Left Rear Body
LEFT REAR BODY (4 DOOR), LEFT REAR BODY (2 DOOR)
Lamp-License (Export)
Black
Center of Rear Fascia
N/S
Lamp-Park/Turn-Left Front (Except Export)
Black
Left Front Engine Component
N/S
Lamp-Park/Turn-Right Front (Except Export)
Black
Right Front Engine Component
N/S
Lamp-Park-Left Front (Export)
Black
Left Front Engine Component
N/S
Lamp-Park-Right Front (Export)
Black
Right Front Engine Component
N/S
Lamp-Side Marker-Left Front (Except Export)
Gray
Left Side Engine Component
N/S
Lamp-Side Marker-Right Front (Except Export)
Gray
Right Side Engine Component
N/S
Lamp-Side Repeater-Left (Export)
Gray
Left Side Engine Component
N/S
Lamp-Side Repeater-Right (Export)
Gray
Right Side Engine Component
N/S
Lamp-Turn-Left Front (Export)
-
Left Front Engine Component
N/S
Lamp-Turn-Right Front (Export)
-
Right Front Engine Component
N/S
Lamp-Underhood
Black
Rear Center Hood
REAR ENGINE COMPARTMENT
Latch-Door-Driver
Black
Rear of Driver Door
DOORS
Latch-Door-Left Rear (4 Door)
Black
Rear of Left Rear Door
DOORS
Latch-Door-Passenger
Black
Rear of Passenger Door
DOORS
Latch-Door-Right Rear (4 Door)
Black
Rear of Right Rear Door
DOORS
Latch-Door-Swinggate
Black
Left Side of Swinggate
REAR BODY AND SWINGGATE
Lighter-Cigar
Gray
Center Instrument Panel
N/S
Module-Anti-Lock Brakes (ESP)
Black
Driver Side Engine Compartment
LEFT ENGINE COMPARTMENT (LHD GAS), 6 RIGHT ENGINE COMPARTMENT (RHD GAS), LEFT ENGINE COMPARTMENT (LHD DIESEL)
Module-Automatic Sway Bar System (ASBS)
-
On Stabilizer Bar
N/S
Module-Compass
Black
Center Instrument Panel
N/S
Module-Engine Control C1 (Diesel)
-
Engine Compartment
N/S
Module-Engine Control C2 (Diesel)
-
Left Side Engine Compartment
LEFT ENGINE COMPARTMENT (RHD DIESEL), LEFT ENGINE COMPARTMENT (LHD DIESEL)
Module-Fuel Pump
Lt. Gray
At Fuel Tank
N/S
Module-Glow Plug (Diesel)
Black
Engine Compartment
N/S
Module-Headlamp Leveling-Left (Export)
-
Left Front Engine Compartment
N/S
Module-Headlamp Leveling-Right (Export)
-
Right Front Engine Compartment
N/S
Module-Intrusion Transceiver (RHD)
Black
Below Driver Side Instrument Panel
N/S
Module-Occupant Classification C1 (Except Export)
-
Under Front Passenger Seat
PASSENGER SEAT TRACK
Module-Occupant Classification C2 (Except Export)
-
Under Front Passenger Seat
PASSENGER SEAT TRACK
Module-Occupant Restraint Controller C1 (ORC)
Yellow
Front Center Body
FRONT CENTER BODY
Module-Occupant Restraint Controller C2 (ORC)
Yellow
Center Body Floor
CENTER BODY
Module-Powertrain Control C1 (Gas)
Black/Black
Left Side Engine Compartment
POWERTRAIN CONTROL MODULE
Module-Powertrain Control C1 (Diesel)
Black/Black
Left Side Engine Compartment
N/A
Module-Powertrain Control C2 (Gas)
Black/Orange
Left Side Engine Compartment
POWERTRAIN CONTROL MODULE
Module-Powertrain Control C3 (Gas)
Black/Natural
Left Side Engine Compartment
POWERTRAIN CONTROL MODULE, LEFT ENGINE COMPARTMENT (LHD GAS), LEFT ENGINE COMPARTMENT (RHD GAS)
Module-Powertrain Control C4 (RLE)
Black/Green
Left Side Engine Compartment
POWERTRAIN CONTROL MODULE
Module-Powertrain Control C4 (Diesel)(RFE)
Black/Green
Left Side Engine Compartment
N/A
Module-Sentry Key Remote Entry/WCM
Black
Steering Column
N/S
Module-Steering Control C1
-
Steering Column
N/S
Module-Steering Control C2
Natural
Steering Column
N/S
Module-Steering Control C4
White
Steering Column
N/S
Module-Steering Control C5
White
On Steering Wheel
N/S
Module-Totally Integrated Power C1
Black
Passenger Side Engine Compartment
TOTALLY INTEGRATED POWER MODULE, RIGHT ENGINE COMPARTMENT (LHD GAS), LEFT ENGINE COMPARTMENT (RHD GAS), LEFT ENGINE COMPARTMENT (RHD DIESEL), RIGHT ENGINE COMPARTMENT (LHD DIESEL)
Module-Totally Integrated Power C2
BLue
Passenger Side Engine Compartment
TOTALLY INTEGRATED POWER MODULE, RIGHT ENGINE COMPARTMENT (LHD GAS), LEFT ENGINE COMPARTMENT (RHD GAS), LEFT ENGINE COMPARTMENT (RHD DIESEL), RIGHT ENGINE COMPARTMENT (LHD DIESEL)
Module-Totally Integrated Power C3
Green
Passenger Side Engine Compartment
TOTALLY INTEGRATED POWER MODULE
Module-Totally Integrated Power C4
Lt. Gray
Passenger Side Engine Compartment
TOTALLY INTEGRATED POWER MODULE
Module-Totally Integrated Power C5
Brown
Passenger Side Engine Compartment
TOTALLY INTEGRATED POWER MODULE
Module-Totally Integrated Power C6
Gray
Passenger Side Engine Compartment
TOTALLY INTEGRATED POWER MODULE
Module-Totally Integrated Power C7
-
Passenger Side Engine Compartment
TOTALLY INTEGRATED POWER MODULE
Module-Totally Integrated Power C8
-
Passenger Side Engine Compartment
PASSENGER SIDE ENGINE COMPARTMENT
Motor-Blower
Natural
Passenger Side Instrument Panel
N/S
Motor-Boost Pressure Servo (Diesel)
Natural
On Engine
N/S
Motor-Window-Left Front
Lt. Gray
On Left Front Door
N/S
Motor-Window-Left Rear (4 Door)
Lt. Gray
Left Rear Door
N/S
Motor-Window-Right Front
Lt. Gray
On Right Front Door
N/S
Motor-Window-Right Rear (4 Door)
Lt. Gray
Right Rear Door
N/S
Motor-Wiper-Front
Black
Left Rear Engine Compartment
REAR ENGINE COMPARTMENT
Motor-Wiper-Rear (Hard Top)
Black
Rear Roof
N/S
Power Outlet-Console
Gray
Center Instrument Panel
N/S
Pump-Washer-Windshield
Black
Left Front Engine Compartment
LEFT ENGINE COMPARTMENT (LHD GAS), LEFT ENGINE COMPARTMENT (RHD GAS), LEFT ENGINE COMPARTMENT (RHD DIESEL), LEFT ENGINE COMPARTMENT (LHD DIESEL)
Radio
Gray
Center Instrument Panel
N/S
Relay-Cabin Heater 1 (Diesel)
Lt. Gray
Right Rear Engine Compartment
RIGHT ENGINE COMPARTMENT (RHD DIESEL), RIGHT ENGINE COMPARTMENT (LHD DIESEL)
Relay-Cabin Heater 2 (Diesel)
Lt. Gray
Right Rear Engine Compartment
RIGHT ENGINE COMPARTMENT (RHD DIESEL), RIGHT ENGINE COMPARTMENT (LHD DIESEL)
Relay-Cabin Heater 3 (Diesel)
Lt. Gray
Left Rear Engine Compartment
LEFT ENGINE COMPARTMENT (RHD DIESEL), LEFT ENGINE COMPARTMENT (LHD DIESEL)
Relay-Fuel Heater (Diesel)
-
Left Rear Engine Compartment
LEFT ENGINE COMPARTMENT (RHD DIESEL), LEFT ENGINE COMPARTMENT (LHD DIESEL)
Relay-Locker-Front (Off-Raod)
-
Passenger Side Rear Engine Compartment
RIGHT ENGINE COMPARTMENT (LHD GAS), LEFT ENGINE COMPARTMENT (RHD GAS), LEFT REAR ENGINE COMPARTMENT (LHD DIESEL)
Relay-Locker-Rear (Off-Raod)
-
Passenger Side Rear Engine Compartment
RIGHT ENGINE COMPARTMENT (LHD GAS), LEFT ENGINE COMPARTMENT (RHD GAS), LEFT REAR ENGINE COMPARTMENT (LHD DIESEL)
Relay-Radiator Fan High
Lt. Gray
Left Front Engine Compartment
N/S
Resistor Block-Blower Motor
Gray
Passenger Side Instrument Panel
N/S
Seat Belt-Retractor Tensioner-Driver
Yellow
Driver Side Body at Base of B-Piller
LEFT BODY, RIGHT BODY (4 DOOR), LEFT REAR BODY (2 DOOR), RIGHT BODY (2 DOOR)
Seat Belt-Retractor Tensioner-Passenger
Yellow
Passenger Side Body at Base of B-Piller
LEFT BODY, RIGHT BODY (4 DOOR), LEFT REAR BODY (2 DOOR), RIGHT BODY (2 DOOR)
Sensor-Accelerator Pedal Position
Black
At Base fo Pedal
N/S
Sensor-Ambient Air Temperature
Black
Center Front Engine Compartment
N/S
Sensor-Brake Fluid Level
Black
Driver Side Engine Compartment
LEFT ENGINE COMPARTMENT (LHD GAS), 6 RIGHT ENGINE COMPARTMENT (RHD GAS), LEFT ENGINE COMPARTMENT (LHD DIESEL)
Sensor-Camshaft Position (Diesel)
Black
On Engine
N/S
Sensor-Camshaft Position (Gas)
Black
On Engine
N/S
Sensor-Crankshaft Position (Diesel)
Black
On Engine
N/S
Sensor-Crankshaft Position (Gas)
Black
On Engine
N/S
Sensor-Dynamics (ESP)
Black
Front Center Body
FRONT CENTER BODY
Sensor-Engine Coolant Temperature (Diesel)
Black
On Engine
N/S
Sensor-Engine Coolant Temperature (Gas)
Black
On Engine
N/S
Sensor-Evaporator Temperature
Natural
Below Driver Side Instrument Panel
N/S
Sensor-Exhaust Differential Pressure (Diesel)
Black
Rear of Engine
N/S
Sensor-Front Impact-Left
Yellow
Left Front Engine Compartment
N/S
Sensor-Front Impact-Right
Yellow
Right Front Engine Compartment
N/S
Sensor-Fuel Pressure (Diesel)
Black
On Engine
N/S
Sensor-Fuel Temperature (Diesel)
Black
Left Rear Engine
LEFT ENGINE COMPARTMENT (RHD DIESEL), LEFT ENGINE COMPARTMENT (LHD DIESEL)
Sensor-Inlet Air Pressure (Diesel)
Black
On Engine
N/S
Sensor-Input Speed (ETAX)
Black
On Transmission
N/S
Sensor-Intake Air Temperature (Gas)
Black
On Engine
N/S
Sensor-Intake Air Temperature/Boost Pressure (Diesel)
Black
On Engine
N/S
Sensor-Intrusion-Cargo (RHD)
Black
Left Side of Swinggate
REAR BODY AND SWINGGATE
Sensor-Intrusion-Console (RHD)
Black
Center Body Floor
N/S
Sensor-Intrusion-Front (RHD)
Black
Front of Shift Lever
N/S
Sensor-Knock (Gas)
Black
On Engine
N/S
Sensor-Line Pressure (RFE)
Black
On Transmission
N/S
Sensor-Map (Gas)
Gray
On Engine
N/S
Sensor-Mass Air Flow (Diesel)
-
On Engine
N/S
Sensor-Oil Pressure (Diesel)
Dk. Green
On Engine
N/S
Sensor-Output Speed (EATX)
Black
On Transmission
N/S
Sensor-Oxygen (Diesel)
-
N/S
Sensor-Oxygen 1/1 (Gas)
Natural
Rear of Engine
N/S
Sensor-Oxygen 1/2 (Gas)
Black
Rear of Engine
N/S
Sensor-Oxygen 2/1 (Gas LHD)
Gray
Rear of Engine
N/S
Sensor-Oxygen 2/1 (Gas RHD)
Black
Rear of Engine
N/S
Sensor-Oxygen 2/2 (Gas)
Black
Rear of Engine
N/S
Sensor-Post-Catalyst Exhaust Gas Temperature (Diesel)
-
Rear of Engine
N/S
Sensor-Seat Track Position-Driver (Except Export)
Gray
Under Driver Seat
DRIVER SEAT TRACK
Sensor-Seat Track Position-Passenger (Except Export)
Gray
Under Passenger Seat
PASSENGER SEAT TRACK
Sensor-Seat Weight-Left Front (Except Export)
-
Under Left Front Passenger Seat
PASSENGER SEAT TRACK
Sensor-Seat Weight-Left Rear (Except Export)
-
Under Left Rear Passenger Seat
PASSENGER SEAT TRACK
Sensor-Seat Weight-Right Front (Except Export)
-
Under Left Front Passenger Seat
PASSENGER SEAT TRACK
Sensor-Seat Weight-Right Rear (Except Export)
-
Under Left Rear Passenger Seat
PASSENGER SEAT TRACK
Sensor-Side Impact-Left 1 (Side Airbags)
Yellow
Lower Left B-Pillar
LEFT BODY, LEFT REAR BODY (2 DOOR)
Sensor-Side Impact-Right 1 (Side Airbags)
Yellow
Lower Right B-Pillar
RIGHT BODY (4 DOOR), RIGHT BODY (2 DOOR)
Sensor-Steering Angle (ESP)
-
Steering Column
N/S
Sensor-Transmission Range (RLE)
Lt. Green
On Transmission
N/S
Sensor-Water in Fuel (Diesel)
Green
Left Rear Engine
LEFT ENGINE COMPARTMENT (RHD DIESEL), LEFT ENGINE COMPARTMENT (LHD DIESEL)
Sensor-Wheel Speed-ABS-Left Front
Black
Near Left Front Wheel
N/S
Sensor-Wheel Speed-ABS-Left Rear
Black
Near Left Rear Wheel
N/S
Sensor-Wheel Speed-ABS-Right Front
Black
Near Right Front Wheel
N/S
Sensor-Wheel Speed-ABS-Right Rear
Black
Near Right Rear Wheel
N/S
Siren (RHD)
Black
Left Engine Compartment
LEFT ENGINE COMPARTMENT (RHD DIESEL)
Solenoid-EGR (Diesel)
-
On Engine
N/S
Solenoid-Evap/Purge (Gas)
Black
Right Rear Engine Compartment
RIGHT ENGINE COMPARTMENT (LHD GAS), 6 RIGHT ENGINE COMPARTMENT (RHD GAS)
Solenoid-Fuel Pressure (Diesel)
Black
On Engine
N/S
Solenoid-Fuel Quantity (Diesel)
Black
On Engine
N/S
Solenoid-Locker-Front (Off Road)
Black
At Front Differential
N/S
Solenoid-Locker-Rear (Off Road)
Black
At Rear Differential
N/S
Solenoid-Throttle Valve (Diesel)
Black
On Engine
N/S
Speaker-Instrument Panel-Left
Lt. Gray
Left Instrument Panel
N/S
Speaker-Instrument Panel-Right
Lt. Gray
Right Instrument Panel
N/S
Speaker-Left Front
Black
Left Instrument Panel
N/S
Speaker-Left Rear
White
Left of Sport Bar
N/S
Speaker-Right Front
Black
Right Instrument Panel
N/S
Speaker-Right Rear
White
Right of Sport Bar
N/S
Speaker-Subwoofer (Premium)
Black
Right Rear Body
REAR BODY AND SWINGGATE
Starter
-
On Engine
N/S
Starter-Eyelet (Diesel)
-
At Starter
N/S
Starter-Eyelet (Gas)
-
At Starter
N/S
Switch-Backup Lamp (MTX)
Black
On Transmission
N/S
Switch-Bank
Black
Center Instrument Panel
N/S
Switch-Clutch Interlock (MTX)
-
Rear Engine Component
LEFT ENGINE COMPARTMENT (LHD GAS), 6 RIGHT ENGINE COMPARTMENT (RHD GAS), RIGHT ENGINE COMPARTMENT (RHD DIESEL), LEFT ENGINE COMPARTMENT (LHD DIESEL)
Switch-Door Lock-Left Front (Except Base)
Natural
On left Front Door
N/S
Switch-Door Lock-Right Front (Except Base)
Natural
On Right Front Door
N/S
Switch-Evap System Monitor (Gas)
Black
At Evap Canister Near Fuel Tank
N/S
Switch-Hood Ajar (RHD Export)
Black
Left Front Engine Compartment
N/S
Switch-Horn
Black
On Steering Wheel
N/S
Switch-Ignition
Black
Steering Column
N/S
Switch-Locker-Front (Off Road)
Black
At Front Differential
N/S
Switch-Locker-Rear (Off Road)
Black
At Rear Differential
N/S
Switch-Oil Pressure (Gas)
Black
On Engine
N/S
Switch-Parking Brake
Black
Base of Brake Lever
FRONT CENTER BODY
Switch-Power Window-Front (Except Base)
Black
Center Instrument Panel
N/S
Switch-Power Window-Rear (4 Door Except Base)
White
Rear of Center Console
N/S
Switch-Seat Belt-Driver
Lt. Gray
Under Driver Seat at Retractor
N/S
Switch-Seat Belt-Passenger (Except Export)
Yellow
Under Passenger Seat at Retractor
N/S
Switch-Speed Control
Black
On Steering Wheel
N/S
Switch-Stop Lamp
Lt. Gray
At Base of Brake Pedal
N/S
Switch-Transfer Case (4WD)
Black
On Transmission
N/S
Throttle Body (Gas)
Black
On Engine
N/S
Transducer-A/C Pressure
Gray
On Engine
N/S
Wiring-Trailer Tow 4–Way
Black
Center Rear Chassis
N/S


GROUNDS

Connector Name/Number
Location
Fig.
G100
On Battery Cable
N/S
G101
On Battery Cable
N/S
G102
Right Front Engine Compartment Near Headlamp Assembly
N/S
G103
Passenger Side Engine Compartment
RIGHT ENGINE COMPARTMENT (LHD GAS), LEFT ENGINE COMPARTMENT (RHD GAS), LEFT ENGINE COMPARTMENT (RHD DIESEL), RIGHT ENGINE COMPARTMENT (LHD DIESEL)
G104
On Engine Harness
N/S
G105
Passenger Side Engine Compartment
RIGHT ENGINE COMPARTMENT (LHD GAS), LEFT ENGINE COMPARTMENT (RHD GAS), LEFT ENGINE COMPARTMENT (RHD DIESEL), RIGHT ENGINE COMPARTMENT (LHD DIESEL)
G106 (ESP)
Driver Side Engine Compartment
LEFT ENGINE COMPARTMENT (LHD GAS), 6 RIGHT ENGINE COMPARTMENT (RHD GAS), RIGHT ENGINE COMPARTMENT (RHD DIESEL), LEFT ENGINE COMPARTMENT (LHD DIESEL)
G107 (ESP)
Driver Side Engine Compartment
LEFT ENGINE COMPARTMENT (LHD GAS), 6 RIGHT ENGINE COMPARTMENT (RHD GAS), RIGHT ENGINE COMPARTMENT (RHD DIESEL), LEFT ENGINE COMPARTMENT (LHD DIESEL)
G200
Driver Side Instrument Panel
N/S
G201
Passenger Side Instrument Panel
LOWER RIGHT INSTRUMENT PANEL
G202
Driver Side Instrument Panel
N/S
G203
Passenger Side Instrument Panel
LOWER RIGHT INSTRUMENT PANEL
G300
Body Floor Between Front Seats
CENTER BODY
G301
Body Floor Below Right Front Seat
CENTER BODY


SPLICES

Splice Number
Location
Fig.
S100
On Battery Cable
N/S
S101 (Diesel)
On Battery Cable
N/S
S102 (Gas)
On Engine
N/S
S103 (Diesel)
Rear Engine Compartment
RIGHT ENGINE COMPARTMENT (RHD DIESEL), LEFT ENGINE COMPARTMENT (LHD DIESEL)
S104 (Diesel)
Rear Engine Compartment
RIGHT ENGINE COMPARTMENT (RHD DIESEL), LEFT ENGINE COMPARTMENT (LHD DIESEL)
S107 (Diesel)
Rear Engine Compartment
RIGHT ENGINE COMPARTMENT (RHD DIESEL), LEFT ENGINE COMPARTMENT (LHD DIESEL)
S110 (Diesel)
On Battery Cable
N/S
S111
Rear Engine Compartment
LEFT ENGINE COMPARTMENT (LHD GAS), LEFT ENGINE COMPARTMENT (RHD GAS), LEFT ENGINE COMPARTMENT (RHD DIESEL), RIGHT ENGINE COMPARTMENT (LHD DIESEL)
S112
Rear Engine Compartment
LEFT ENGINE COMPARTMENT (LHD GAS), LEFT ENGINE COMPARTMENT (RHD GAS), LEFT ENGINE COMPARTMENT (RHD DIESEL), RIGHT ENGINE COMPARTMENT (LHD DIESEL)
S113 (Export)
Front Engine Compartment Near Ambient Air Temp Sensor T/O
N/S
S116 (Except Export)
Front Engine Compartment Near Ambient Air Temp Sensor T/O
N/S
S117 (Except Export)
Right Front Engine Compartment Near Headlamp Assembly
N/S
S118 (Export)
Left Front Engine Compartment Near Headlamp Assembly
N/S
S120 (Gas)
Passenger Side Rear Engine Compartment
RIGHT ENGINE COMPARTMENT (LHD GAS), LEFT ENGINE COMPARTMENT (RHD GAS)
S121 (Gas)
On Engine
N/S
S122 (Gas)
On Engine
N/S
S123 (Diesel)
On Engine
N/S
S128
On Engine
N/S
S129 (Gas)
On Engine
N/S
S130 (Gas)
On Engine
N/S
S131 (Gas)
On Engine
N/S
S132 (Gas)
On Engine
N/S
S133 (Gas)
On Engine
N/S
S135 (Export)
Front Engine Compartment Near Ambient Air Temp Sensor T/O
N/S
S136
On Engine
N/S
S137
On Engine
N/S
S138
On Engine
N/S
S143
On Engine
N/S
S152 (Off-Road)
Rear Engine Compartment
RIGHT ENGINE COMPARTMENT (LHD GAS), LEFT ENGINE COMPARTMENT (LHD DIESEL)
S162 (Diesel)
On Engine
N/S
S163 (Diesel)
On Engine
N/S
S169
Rear Engine Compartment
RIGHT ENGINE COMPARTMENT (LHD GAS), LEFT ENGINE COMPARTMENT (RHD GAS), RIGHT ENGINE COMPARTMENT (RHD DIESEL), RIGHT ENGINE COMPARTMENT (LHD DIESEL)
S171 (Diesel)
Rear Engine Compartment
RIGHT ENGINE COMPARTMENT (RHD DIESEL), RIGHT ENGINE COMPARTMENT (LHD DIESEL)
S172 (Diesel)
Passenger Side Rear Engine Compartment
LEFT ENGINE COMPARTMENT (RHD DIESEL), RIGHT ENGINE COMPARTMENT (LHD DIESEL)
S173 (Diesel)
Rear Engine Compartment
LEFT ENGINE COMPARTMENT (RHD DIESEL), RIGHT ENGINE COMPARTMENT (LHD DIESEL)
S174 (Diesel)
Rear Engine Compartment
LEFT ENGINE COMPARTMENT (RHD DIESEL), RIGHT ENGINE COMPARTMENT (LHD DIESEL)
S175 (Diesel)
Right Rear Engine Compartment
RIGHT ENGINE COMPARTMENT (LHD DIESEL)
S176 (Diesel)
Rear Engine Compartment
RIGHT ENGINE COMPARTMENT (RHD DIESEL), LEFT ENGINE COMPARTMENT (RHD DIESEL), LEFT ENGINE COMPARTMENT (LHD DIESEL)
S177 (Diesel)
Engine Compartment
N/S
S178 (Diesel)
Rear Engine Compartment
LEFT ENGINE COMPARTMENT (RHD DIESEL), RIGHT ENGINE COMPARTMENT (LHD DIESEL)
S179
Right Side Engine Compartment
RIGHT ENGINE COMPARTMENT (LHD GAS), 6 RIGHT ENGINE COMPARTMENT (RHD GAS), RIGHT ENGINE COMPARTMENT (RHD DIESEL), RIGHT ENGINE COMPARTMENT (LHD DIESEL)
S180
Right Side Engine Compartment
RIGHT ENGINE COMPARTMENT (LHD GAS), 6 RIGHT ENGINE COMPARTMENT (RHD GAS), RIGHT ENGINE COMPARTMENT (RHD DIESEL), RIGHT ENGINE COMPARTMENT (LHD DIESEL)
S221
Lower Driver Side Instrument Panel Near Stop Lamp Switch T/O
N/S
S222
Rear Engine Compartment Near Grommet to IP
N/S
S223
Lower Driver Side Instrument Panel Near Stop Lamp Switch T/O
N/S
S224
Rear Engine Compartment Near Grommet to IP
N/S
S233
Driver Side Instrument Panel Near Cluster T/Os
N/S
S234
Passenger Side Instrument Panel Near Blower T/O
N/S
S237
Steering Column Near Ignition Switch T/O
N/S
S238
Steering Column Near Ignition Switch T/O
N/S
S240
Passenger Side Instrument Panel Near Window Switch T/O
N/S
S242
Driver Side Instrument Panel Near Cluster T/Os
N/S
S243
Center Instrument Panel Near Center Stack T/O
N/S
S244
Center Instrument Panel Near Center Stack T/O
N/S
S245
Right Instrument Panel Near Tweeter T/O
N/S
S246
Driver Side Instrument Panel Near Cluster T/Os
N/S
S251
Rear Engine Compartment Near Grommet to IP
N/S
S253
Passenger Side Instrument Panel Near Blower T/O
N/S
S273
Passenger Side Instrument Panel Near Speaker T/O
N/S
S274
Passenger Side Instrument Panel Near Blower T/O
N/S
S290 (RHD)
Driver Side Front of Shifter
N/S
S291
Driver Side Front of Shifter
N/S
S292
Driver Side Front of Shifter
N/S
S293 (Except Export)
Instrument Panel
N/S
S294 (Except Export)
Instrument Panel
N/S
S295
Passenger Side Instrument Panel Near Window Switch T/O
N/S
S296
Passenger Side Instrument Panel Near Speaker T/O
N/S
S297
Rear Engine Compartment Near Grommet to IP
N/S
S301
Rear Fascia Near License Lamp T/O
N/S
S302
Rear Fascia Near C301 T/O
N/S
S307(Gas Off-Road)
Right Front Chassis Harness Near Wheel Speed Sensor T/O
N/S
S308
Right Front Chassis Harness Near Wheel Speed Sensor T/O
N/S
S330
Body Floor Under Right Seat
CENTER BODY
S331
Body Floor Under Left Seat
CENTER BODY
S332
Body Floor Under Right Seat
CENTER BODY
S333
Body Floor Under Right Seat
CENTER BODY
S334
Body Floor Under Left Seat
CENTER BODY
S335
Right Rear Body
REAR BODY AND SWINGGATE
S336
Right Rear Body
REAR BODY AND SWINGGATE
S351
Passenger Seat Near Seat Belt Switch T/O
N/S
S352
Passenger Seat Near OCM T/O
N/S
S353
Near Rear Power Window Switch
N/S
S371 (Trailer Tow)
Trailer Tow Jumper Near C311 T/O
N/S
S372 (Trailer Tow))
Trailer Tow Jumper Near C311 T/O
N/S
S373 (Trailer Tow)
Trailer Tow Jumper Near C311 T/O
N/S





PASSENGER SIDE ENGINE COMPARTMENT





TOTALLY INTEGRATED POWER MODULE





POWERTRAIN CONTROL MODULE





RIGHT ENGINE COMPARTMENT (LHD GAS)





LEFT ENGINE COMPARTMENT (LHD GAS)





6 RIGHT ENGINE COMPARTMENT (RHD GAS)





LEFT ENGINE COMPARTMENT (RHD GAS)





RIGHT ENGINE COMPARTMENT (RHD DIESEL)





LEFT ENGINE COMPARTMENT (RHD DIESEL)





RIGHT ENGINE COMPARTMENT (LHD DIESEL)





LEFT ENGINE COMPARTMENT (LHD DIESEL)





REAR ENGINE COMPARTMENT





LEFT REAR ENGINE COMPARTMENT (LHD DIESEL)





RIGHT SIDE INSTRUMENT PANEL





LOWER RIGHT INSTRUMENT PANEL





FRONT CENTER BODY





LEFT BODY





LEFT REAR BODY (4 DOOR)





LEFT FRONT BODY (RHD)





CENTER BODY





RIGHT BODY (4 DOOR)





REAR BODY AND SWINGGATE





LEFT REAR BODY (2 DOOR)





RIGHT BODY (2 DOOR)





TOP REAR BODY





DRIVER SEAT TRACK





PASSENGER SEAT TRACK





DOORS





ROOF