B1A3E-SIREN / ITM MISMATCH





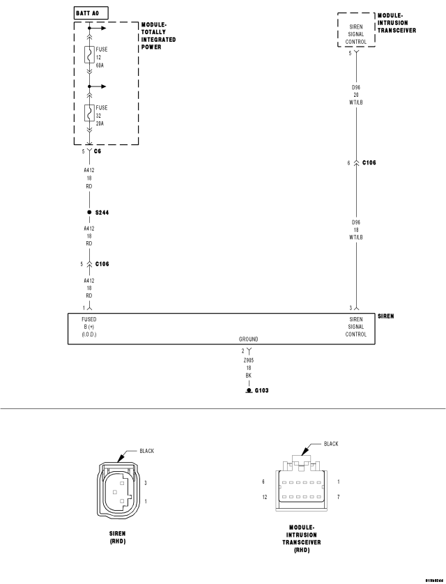
For a complete wiring diagram Refer to Section 8W.



Possible Causes
INTERMITTENT CONDITION
SIREN




Diagnostic Test

1. DETERMINING IF DTC IS CURRENT

NOTE: Diagnose any related Communication DTC(s) before continuing.


With a scan tool, read and record DTC(s).
With the scan tool, clear DTC(s).
Turn the ignition off and remove the key from the ignition.
Lock and close all doors to allow the VTSS to go from pre-arm to armed status and wait one minute.
Disarm the VTSS.
Using the scan tool, read ITM DTC(s).

Does the DTC reset?

Yes


No

2. INTERMITTENT CONDITION

NOTE: Check for any of the follow conditions:



Were there any problems found?

Yes


No