SECOND ROW - TWO DOOR
WARNING:
To avoid serious or fatal injury during and following any seat belt or child restraint anchor service, carefully inspect all seat belts, buckles, mounting hardware, retractors,
tether straps, and anchors for proper installation, operation, or damage. Replace any belt that is cut, frayed, or torn. Straighten any belt that is twisted. Tighten any loose fasteners. Replace any belt
that has a damaged or ineffective buckle or retractor. Replace any belt that has a bent or damaged latch plate or anchor plate. Replace any child restraint anchor or the unit to which the anchor is integral
that has been bent or damaged. Never attempt to repair a seat belt or child restraint component. Always replace damaged or ineffective seat belt and child restraint components with the correct, new and
unused replacement parts listed in the DaimlerChrysler Mopar Parts Catalog.
NOTE:
All seat belt retractors except the driver side front retractor include a switchable automatic locking mechanism.
(Refer
to 8 - ELECTRICAL/RESTRAINTS/SEAT BELT AND RETRACTOR/AUTOMATIC LOCKING RETRACTOR - DESCRIPTION).

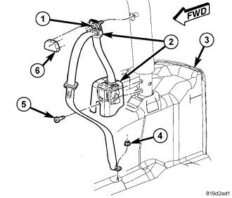
1.
Position the second row seat belt and retractor unit (2) to the base of the rear sport bar. Be certain to engage the tab on the upper retractor bracket into the hole in the sport bar.
2.
Install and tighten the screw (5) that secures the retractor lower bracket to the base of the rear sport bar. Tighten the screw to 40 Nm (30 ft. lbs.).
3.
Position the second row seat belt turning loop to the upper rear sport bar. Be certain the seat belt webbing between the retractor and the turning loop is not twisted.
4.
Install and tighten the screw (1) that secures the turning loop to the sport bar. Tighten the screw to 40 Nm (30 ft. lbs.).
5.
Engage the upper edge of a new trim cover (6) over the top of the turning loop. Then squeeze the lower end of the trim cover and the turning loop together firmly and evenly until the engagement
tabs of the trim cover snap into the slots of the turning loop.
6.
Position the second row seat belt lower anchor onto the stud on the rear floor panel. Be certain the seat belt webbing between the turning loop and the lower anchor is not twisted.
7.
Install and tighten the nut (4) that secures the lower anchor to the stud on the rear floor panel. Tighten the nut to 40 Nm (30 ft. lbs.).