SIDE - FOUR-DOOR

WARNING: To avoid serious or fatal injury on vehicles equipped with airbags, disable the supplemental restraint system before attempting any steering wheel, steering column, airbag, occupant classification system, seat belt tensioner, impact sensor, or instrument panel component diagnosis or service. Disconnect and isolate the battery negative (ground) cable, then wait two minutes for the system capacitor to discharge before performing further diagnosis or service. This is the only sure way to disable the supplemental restraint system. Failure to take the proper precautions could result in accidental airbag deployment.

WARNING: To avoid serious or fatal injury, never strike or drop the side impact sensor, as it can damage the impact sensor or affect its calibration. The side impact sensor enables the system to deploy the seat airbag supplemental restraints. If an impact sensor is accidentally dropped during service, the sensor must be scrapped and replaced with a new unit. Failure to observe this warning could result in accidental, incomplete, or improper front supplemental restraint deployment.

NOTE: The front and side impact sensors are interchangeable.




1. Adjust the driver or passenger side front seat to its most forward position for easiest access to the B-pillar trim.
2. Disconnect and isolate the battery negative cable. Wait two minutes for the system capacitor to discharge before further service.
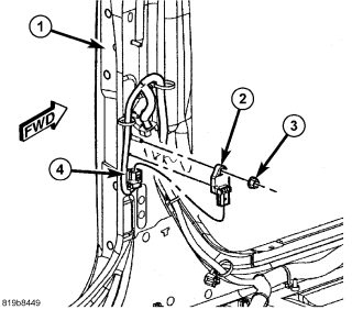
3. Remove the trim from the inside of the lower right or left B-pillar (1).
(Refer to 23 - BODY/INTERIOR/B-PILLAR TRIM - REMOVAL).
4. Remove the nut (3) that secures the side impact sensor (2) to the weld stud on the lower B-pillar.
5. Remove the sensor from the weld stud on the inner B-pillar.
6. Disconnect the body wire harness connector (4) from the sensor connector receptacle.