B1C48-1ST ROW PASSENGER RETRACTOR PRETENSIONER CIRCUIT HIGH





For a complete wiring diagram Refer to Section 8W.



Possible Causes
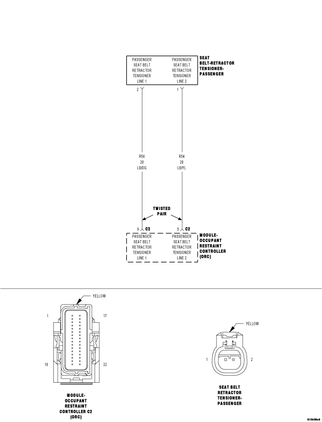
(R506) PASSENGER SEAT BELT RETRACTOR PRETENSIONER DATA CIRCUIT SHORTED TO BATTERY
(R504) PASSENGER SEAT BELT RETRACTOR PRETENSIONER VOLTAGE CIRCUIT SHORTED TO BATTERY
PASSENGER SEAT BELT RETRACTOR PRETENSIONER
ORC




Diagnostic Test

1. DETERMINE ACTIVE OR STORED DTC

NOTE: Ensure the battery is fully charged.


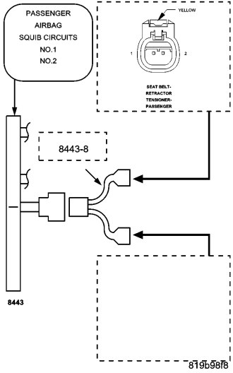
NOTE: The scan tool, SRS Airbag Load Tool 8443, and DVOM are required to perform the following test.


Select Active or Stored DTC.

Is the DTC active or stored?

ORC - ACTIVE DTC


ORC - STORED DTC

2. CHECK FOR SHORTED PASSENGER SEAT BELT RETRACTOR PRETENSIONER



WARNING: To avoid serious or fatal injury, turn the ignition off, disconnect the battery and wait two minutes before proceeding.


Disconnect the Passenger Seat Belt Retractor Pretensioner connector.

NOTE: Check connectors - Clean and repair as necessary.


Connect the 8443 Load Tool and 8443-10 Jumper to the Passenger Seat Belt Pretensioner connector.

WARNING: To avoid serious or fatal injury, turn the ignition on, then reconnect the battery.


With the scan tool, read the active ORC DTC.

Does the scan tool display: B1C48-1ST ROW PASSENGER RETRACTOR PRETENSIONER CIRCUIT HIGH?

Yes


No

3. CHECK (R56) PASSENGER SEAT BELT RETRACTOR TENSIONER LINE 1 CIRCUIT AND (R54) PASSENGER SEAT BELT RETRACTOR TENSIONER LINE 2 CIRCUIT FOR A SHORT TO BATTERY



WARNING: To avoid serious or fatal injury, turn the ignition off, disconnect the battery and wait two minutes before proceeding.


Disconnect the 8443 Load Tool and Jumper from the Passenger Seat Belt Tensioner connector.
Disconnect the ORC connectors.

NOTE: Check connectors - Clean and repair as necessary.


Connect the Load Tool ORC 8443-32-L Adaptor to the ORC connectors.

NOTE: The IP Harness is always connected to the right side (C1) of the 8443-32-L Adapter.


Measure the voltage of the (R56) Passenger Seat Belt Retractor Tensioner Line 1 circuit between the Passenger Seat Belt Tensioner connector and ground.
Measure the voltage of the (R54) Passenger Seat Belt Retractor Tensioner Line 2 circuit between the Passenger Seat Belt Tensioner connector and ground.

Is there any voltage present on either circuit?

Yes


No

4. REPLACE THE ORC

WARNING: To avoid serious or fatal injury, turn the ignition off, disconnect the battery and wait two minutes before proceeding.


WARNING: If the Occupant Restraint Controller (ORC) is dropped at any time, it must be replaced. Failure to take the proper precautions can result in accidental airbag deployment and serious or fatal injury.





Repair

5. STORED ORC DTC

With the scan tool, record and erase all DTC from all Airbag System Modules.
If any ACTIVE codes are present they must be resolved before diagnosing any stored codes.

WARNING: To avoid serious or fatal injury, turn the ignition off, disconnect the battery and wait two minutes before proceeding.


Using the wiring diagram/schematic as a guide, inspect the wiring and connectors.
Look for chafed, pierced, pinched, or partially broken wires and broken, bent, pushed out, spread, corroded, or contaminated terminals.
The following additional checks may assist you in identifying a possible intermittent problem.
Reconnect any disconnected components and harness connector.

WARNING: To avoid serious or fatal injury, turn the ignition on, then reconnect the battery.


With the scan tool monitor active codes as you work through the following steps.
Wiggle the wiring harness and connectors of the related airbag circuit or component.
If codes are related to the Driver Airbag circuits, rotate the steering wheel from stop to stop.
If only stored codes return continue the test until the problem area has been isolated.
In the previous steps you have attempted to recreate the conditions responsible for setting active DTC in question.

Are any ACTIVE DTC present?

Yes


No