B1B79-PASSENGER SEAT WEIGHT SENSOR 3 - LEFT FRONT INPUT CIRCUIT LOW





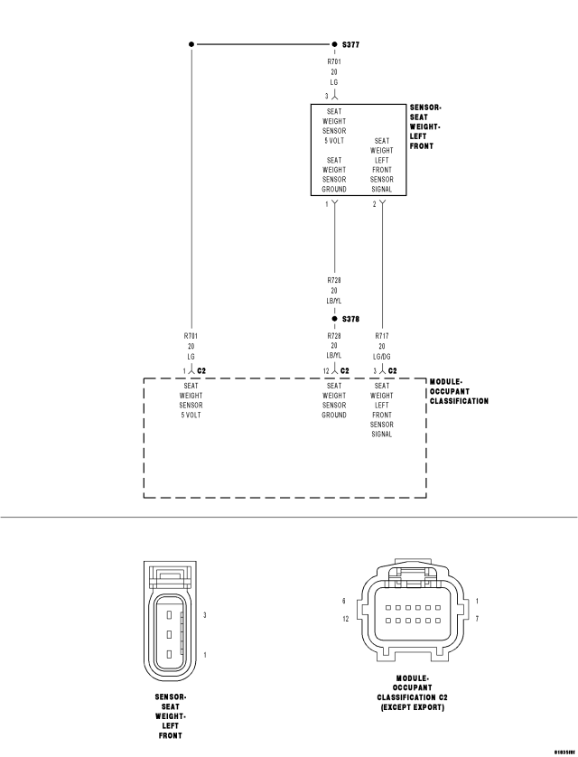
For a complete wiring diagram Refer to Section 8W.



Possible Causes
ACTIVE B1B79 DTC AND B1B7A DTC AT THE SAME TIME
PASSENGER SEAT HARNESS IMPROPERLY ROUTED
PASSENGER SEAT HARNESS WIRES CHAFED, PIERCED, PINCHED, PARTIALLY BROKEN
PASSENGER SEAT HARNESS CONNECTOR TERMINALS BROKEN, BENT PUSHED OUT, SPREAD, CORRODED, CONTAMINATED
(R717) LT-FT SEAT WEIGHT SENSOR SIGNAL CIRCUIT SHORTED TO GROUND
(R717) LT-FT SEAT WEIGHT SENSOR SIGNAL CIRCUIT OPEN
(R701) SEAT WEIGHT SENSOR 5 VOLT CIRCUIT OPEN
LEFT-FRONT SEAT WEIGHT SENSOR
OCCUPANT CLASSIFICATION MODULE (OCM)




Diagnostic Test

1. CHECK FOR ACTIVE INTERNAL FAULTS, IGNITION FAULTS, AND BATTERY FAULTS IN THE OCCUPANT CLASSIFICATION MODULE (OCM)

NOTE: Ensure that the battery is fully charged.


Turn the ignition on, then off, and then on again.
With the scan tool, read Occupant Classification Module (OCM) DTCs.

Does the scan tool display any active DTCs relating to internal faults, ignition faults, or battery faults?

Yes


No

2. VERIFY THAT DTC B1B79-PASSENGER SEAT WEIGHT SENSOR 3 - LEFT FRONT INPUT CIRCUIT LOW IS ACTIVE

With the scan tool, read OCM DTCs.

Does the scan tool display active: B1B79-PASSENGER SEAT WEIGHT SENSOR 3 - LEFT FRONT INPUT CIRCUIT LOW?

Yes


No

3. VERIFY THAT B1B7A-PASSENGER SEAT WEIGHT SENSOR 3 - LEFT FRONT INPUT CIRCUIT HIGH DTC AND B1B79-PASSENGER SEAT WEIGHT SENSOR 3 - LEFT FRONT INPUT CIRCUIT LOW DTC ARE ACTIVE AT THE SAME TIME

With the scan tool, read OCM DTCs.

Does the scan tool display active: B1B7A-PASSENGER SEAT WEIGHT SENSOR 3 - LEFT FRONT INPUT CIRCUIT HIGH AND B1B79-PASSENGER SEAT WEIGHT SENSOR 3 - LEFT FRONT INPUT CIRCUIT LOW AT THE SAME TIME?

Yes


No

4. INSPECT PASSENGER SEAT HARNESS WIRES AND CONNECTORS

WARNING: To avoid serious or fatal injury, turn the ignition off, disconnect the battery and wait two minutes before proceeding.


Using the wiring diagram / schematic as a guide, inspect the Passenger Seat Harness wiring and connectors. Look for chafed, pierced, pinched, or partially broken wires and broken, bent, pushed out, spread, corroded, or contaminated terminals.

NOTE: Do not attempt to repair the Seat Harness. Replace the Seat Harness if the condition inspecting or testing for is present in the Seat Harness.



Are any of these conditions present?

Yes


No

5. VERIFY THAT PASSENGER SEAT HARNESS IS ROUTED CORRECTLY

Verify that the Passenger Seat Harness is routed correctly.

Is the Passenger Seat Harness routed correctly?

Yes


No

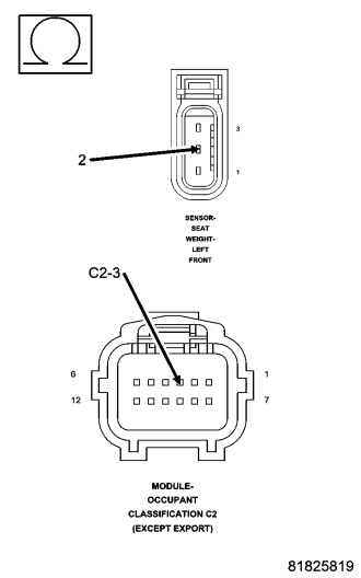
6. CHECK VOLTAGE OF (R701) SEAT WEIGHT SENSOR 5 VOLT CIRCUIT



Disconnect the Left-Front Seat Weight Sensor connector.

WARNING: To avoid serious or fatal injury, turn the ignition on, then reconnect the battery.


Measure the voltage of the (R701) Seat Weight Sensor 5 Volt circuit.

Is the voltage above 4.8 volts?

Yes


No

7. CHECK (R717) LT-FT SEAT WEIGHT SENSOR SIGNAL CIRCUIT FOR A SHORT TO GROUND


WARNING: To avoid serious or fatal injury, turn the ignition off, disconnect the battery and wait two minutes before proceeding.


Disconnect the OCM C2 connector.
Measure the resistance of the (R717) LT-FT Seat Weight Sensor Signal circuit between ground and the OCM C2 connector.

NOTE: Do not attempt to repair the Seat Harness. Replace the Seat Harness if the condition inspecting or testing for is present in the Seat Harness.



Is the resistance below 5.0 ohms?

Yes


No

8. CHECK (R717) LT-FT SEAT WEIGHT SENSOR SIGNAL CIRCUIT FOR AN OPEN



Measure the resistance of the (R717) LT-FT Seat Weight Sensor Signal circuit between the OCM C2 connector and the Left-Front Seat Weight Sensor connector.

NOTE: Do not attempt to repair the Seat Harness. Replace the Seat Harness if the condition inspecting or testing for is present in the Seat Harness.



Is the resistance below 5.0 ohms?

Yes


No

9. CHECK (R701) SEAT WEIGHT SENSOR 5 VOLT CIRCUIT FOR AN OPEN


WARNING: To avoid serious or fatal injury, turn the ignition off, disconnect the battery and wait two minutes before proceeding.


Disconnect the OCM connectors.
Measure the resistance of the (R701) Seat Weight Sensor 5 Volt circuit between the OCM C2 connector and the Left-Front Seat Weight Sensor connector.

NOTE: Do not attempt to repair the Seat Harness. Replace the Seat Harness if the condition inspecting or testing for is present in the Seat Harness.



Is the resistance below 5.0 ohms?

Yes


No

10. CHECKING STORED OR INTERMITTENT CODES

NOTE: Diagnose and repair all active codes before diagnosing stored codes. Refer to the Table of Contents in this Section for a complete list of airbag system diagnostic procedures.


With the scan tool, record and erase all Airbag System Module DTCs.

WARNING: To avoid serious or fatal injury, turn the ignition off, disconnect the battery and wait two minutes before proceeding.


Using the wiring diagram/schematic as a guide, inspect the related wiring and connectors for chafed, pierced, pinched, and partially broken wires, and for broken, bent, pushed out, corroded, and contaminated terminals. Repair as necessary.
Reconnect all disconnected components and harness connectors.

WARNING: To avoid serious or fatal injury, turn the ignition on, then reconnect the battery.


With the scan tool, monitor for active codes while performing the following:
In the previous steps you have attempted to recreate the conditions responsible for setting the DTC in question / causing the intermittent condition.

Are any ACTIVE DTCs present?

Yes


No