B1B78-PASSENGER SEAT WEIGHT SENSOR 3 - LEFT FRONT PERFORMANCE





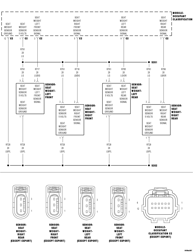
For a complete wiring diagram Refer to Section 8W.



Possible Causes
PASSENGER SEAT HARNESS WIRES CHAFED, PIERCED, PINCHED, PARTIALLY BROKEN
PASSENGER SEAT HARNESS CONNECTOR TERMINALS BROKEN, BENT PUSHED OUT, SPREAD, CORRODED, CONTAMINATED
LEFT-FRONT PASSENGER SEAT WEIGHT SENSOR
DAMAGE TO THE PASSENGER SEAT STRUCTURE, RISER ASSEMBLY, CROSSMEMBERS, SEAT TRACKS, FLOOR PAN
OCCUPANT CLASSIFICATION MODULE (OCM)




Diagnostic Test

1. CHECK FOR ACTIVE INTERNAL FAULTS, IGNITION FAULTS, AND BATTERY FAULTS IN THE OCCUPANT CLASSIFICATION MODULE (OCM)

NOTE: Ensure that the battery is fully charged.


Turn the ignition on, then off, and then on again.
With the scan tool, read Occupant Classification Module (OCM) DTCs.

Does the scan tool display any active DTCs relating to internal faults, ignition faults, or battery faults?

Yes


No

2. VERIFY THAT DTC B1B78-PASSENGER SEAT WEIGHT SENSOR 3 - LEFT FRONT PERFORMANCE IS ACTIVE

With the scan tool, read OCM DTCs.

Does the scan tool display active: B1B78-PASSENGER SEAT WEIGHT SENSOR 3 - LEFT FRONT PERFORMANCE?

Yes


No

3. INSPECT PASSENGER SEAT HARNESS WIRES AND CONNECTORS

WARNING: To avoid serious or fatal injury, turn the ignition off, disconnect the battery and wait two minutes before proceeding.


Using the wiring diagram/schematic as a guide, inspect the Passenger Seat Harness wiring and connectors. Look for chafed, pierced, pinched, or partially broken wires and broken, bent, pushed out, spread, corroded, or contaminated terminals.

NOTE: Do not attempt to repair the Seat Harness. Replace the Seat Harness if the condition inspecting or testing for is present in the Seat Harness.



Are any of these conditions present?

Yes


No


Diagnostic Test

4. PERFORM THE OCM VERIFICATION TEST

NOTE: Ensure that the battery is fully charged.

NOTE: The Occupant Classification Seat Weights 9077 are required to perform this test.


Remove any special tools or jumper wires and reconnect all previously disconnected components – except the battery.

WARNING: To avoid serious or fatal injury, turn the ignition on, then reconnect the battery.


NOTE: Failure to follow the test instructions or aborting the test will cause faults to set when performing the Occupant Classification Module System Verification Test. To prevent faults due to process errors: verify that all tests steps that led you here were performed as directed; verify that the ignition is in run; Wait 30 seconds after changing the seat weight before proceeding to allow the system to stabilize; only press scan tool buttons when directed to do so; and perform the Occupant Classification Module System Verification Test to completion.


With the scan tool in OCM, select More Options, select System Tests, and select Occupant Classification Module System Verification Test. Run the test by following the instructions displayed on the scan tool. When the test is complete, wait two minutes, and then proceed as follows.
With the scan tool, read OCM DTCs.

Does the scan tool display any active PASSENGER SEAT WEIGHT SENSOR DTCs?

Yes


No

5. PERFORM SEAT WEIGHT SENSOR VERIFICATION TEST

WARNING: To avoid serious or fatal injury, turn the ignition off, disconnect the battery and wait two minutes before proceeding.


Verify that all of the Seat Weight Sensor mounting screws are tightened to torque specification. Refer to Group 23 for specification.

WARNING: To avoid serious or fatal injury, turn the ignition on, then reconnect the battery.


NOTE: Failure to follow the test instructions or aborting the test will cause faults to set when performing the Occupant Classification Module System Verification Test. To prevent faults due to process errors: verify that all tests steps that led you here were performed as directed; verify that the ignition is in run; Wait 30 seconds after changing the seat weight before proceeding to allow the system to stabilize; only press scan tool buttons when directed to do so; and perform the Occupant Classification Module System Verification Test to completion.


With the scan tool in OCM, select More Options, select System Tests, and select Occupant Classification Module System Verification Test. Run the test by following the instructions displayed on the scan tool. When the test is complete, wait two minutes, and then proceed as follows.
With the scan tool, read OCM DTCs.

Does the scan tool display any active PASSENGER SEAT WEIGHT SENSOR PERFORMANCE?

Yes


No - But Other DTCs Present


No Active DTCs Present

6. CHECKING STORED OR INTERMITTENT CODES

NOTE: Diagnose and repair all active codes before diagnosing stored codes. Refer to the Table of Contents in this Section for a complete list of airbag system diagnostic procedures.


With the scan tool, record and erase all Airbag System Module DTCs.

WARNING: To avoid serious or fatal injury, turn the ignition off, disconnect the battery and wait two minutes before proceeding.


Using the wiring diagram/schematic as a guide, inspect the related wiring and connectors for chafed, pierced, pinched, and partially broken wires, and for broken, bent, pushed out, corroded, and contaminated terminals. Repair as necessary.
Reconnect all disconnected components and harness connectors.

WARNING: To avoid serious or fatal injury, turn the ignition on, then reconnect the battery.


With the scan tool, monitor for active codes while performing the following:
In the previous steps you have attempted to recreate the conditions responsible for setting the DTC in question / causing the intermittent condition.

Are any ACTIVE DTCs present?

Yes


No