REMOVAL

1.
Disconnect the negative battery cable.
2.
Raise and support the vehicle
3.
Remove any necessary skid plates (1).
(Refer to 13 - FRAMES & BUMPERS/FRAME/TRANSFER
CASE SKID PLATE - REMOVAL)

4.
Mark propeller shaft and axle companion flanges for assembly alignment.
5.
Remove the rear propeller shaft.
(Refer to 3 - DIFFERENTIAL & DRIVELINE/PROPELLER SHAFT/PROPELLER SHAFT - REMOVAL)
6.
Remove the front propeller shaft, if necessary.
(Refer to 3 - DIFFERENTIAL & DRIVELINE/PROPELLER SHAFT/PROPELLER SHAFT - REMOVAL)
7.
Disengage the output speed sensor connector from the output speed sensor (2).

8.
Disengage the input speed sensor connector from the input speed sensor (2).

9.
Disengage the transmission solenoid/TRS assembly connector from the transmission solenoid/TRS assembly (2).

10.
Disengage the line pressure sensor connector from the line pressure sensor (2).

11.
Remove the bolts (1) holding the exhaust crossover pipe to the pre-catalytic converter pipe flanges.
12.
Remove the bolts holding the exhaust crossover pipe to the catalytic converter flange.

13.
Disconnect gearshift cable (2) from transmission manual valve lever.

14.
Disengage the shift cable from the cable support bracket.
15.
Remove the starter motor.
16.
Remove the engine to transmission collar (2).

17.
Rotate crankshaft in clockwise direction until converter bolts are accessible. Then remove bolts one at a time. Rotate crankshaft with socket wrench on dampener bolt.
18.
Disconnect transmission fluid cooler lines at transmission fittings and clips.
19.
Disconnect the transmission vent hose from the transmission.
20.
Remove transfer case.
21.
Support rear of engine with safety stand or jack.
22.
Raise transmission slightly with service jack to relieve load on crossmember and supports.
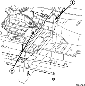
23.
Remove bolts securing rear support and cushion (2) to transmission and crossmember (1).
24.
Remove bolts attaching crossmember to frame and remove crossmember.

25.
Remove all remaining converter housing bolts.
26.
Disconnect fuel line retainers at the transmission (if necessary).
27.
Carefully work transmission and torque converter assembly rearward off engine block dowels.
28.
Hold torque converter in place during transmission removal.
29.
Lower transmission and remove assembly (2) from under the vehicle.
30.
To remove torque converter, carefully slide torque converter out of the transmission.