REMOVAL




1. Remove the transmission
(Refer to 21 - TRANSMISSION/TRANSAXLE/AUTOMATIC - 42RLE - REMOVAL).
2. Remove the flex plate. (Refer to 9 - ENGINE/ENGINE BLOCK/FLEX PLATE - REMOVAL)
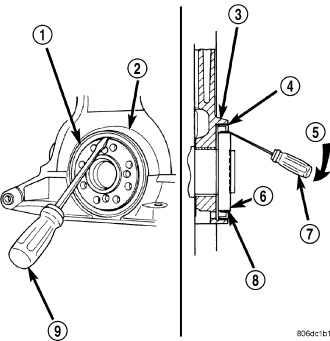
3. Insert a 3/16 flat bladed pry tool between the dust lip and the metal case of the crankshaft seal. Angle the pry tool through the dust lip against metal case of the seal. Pry out seal.

CAUTION: Do not permit the pry tool blade to contact crankshaft seal surface. Contact of the pry tool blade against crankshaft edge (chamfer) is permitted.