DESCRIPTION






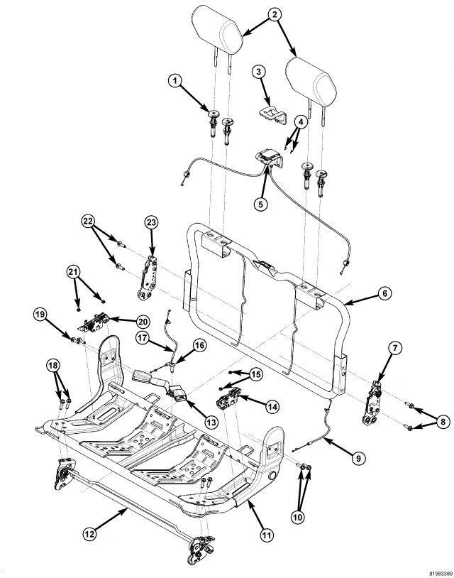
2 DOOR REAR


1 - HEADREST SLEEVES
2 - HEADRESTS
3 - RELEASE HANDLE BEZEL
4 - RELEASE HANDLE SCREWS
5 - RELEASE HANDLE
6 - SEAT BACK FRAME
7 - SEAT BACK LATCH
8 - SEAT BACK LATCH BOLTS 45 Nm (33 ft. lbs.)
9 - CABLE – BACK LATCH TO REAR FLOOR LATCH
10 - BACK FRAME TO CUSHION ATTACHMENT BOLTS 50 Nm (37 ft. lbs.)
11 - SEAT CUSHION FRAME
12 - FRONT LATCH
13 - CENTER BELT BUCKLES
14 - REAR LATCH – LEFT HAND
15 - REAR LATCH NUTS 10 Nm (90 in. lbs.)
16 - CENTER BELT BUCKLE BOLT 55 Nm (40.5 ft. lbs.)
17 - CABLE – BACK LATCH TO REAR FLOOR LATCH
18 - FRONT LATCH CUSHION FRAME BOLTS 45 Nm (33 ft. lbs.)
19 - BACK FRAME TO CUSHION ATTACHMENT BOLTS 50 Nm (37 ft. lbs.)
20 - REAR LATCH – RIGHT HAND
21 - REAR LATCH NUTS 10 Nm (90 in. lbs.)
22 - SEAT BACK LATCH BOLTS 45 Nm (33 ft. lbs.)
23 - SEAT BACK LATCH





4 DOOR REAR


1 - 60% SEAT BACK FRAME - EXPORT
25 - SEAT CUSHION PIVOT BOLT 25 Nm (18.5 ft. lbs.)
2 - EXPORT HEADREST SLEEVES
26 - OUTER LATCH COVER
3 - HEADREST - EXPORT
27 - OUTBOARD LATCH
4 - RETRACTOR SCREW 55 Nm (40.5 ft. lbs.)
28 - INNER LATCH COVER
5 - RELEASE HANDLE
29 - 40% INNER SEAT BACK PIVOT NUT 25 Nm (18.5 ft. lbs.)
6 - RELEASE HANDLE BEZEL
30 - INNER LATCH COVER
7 - OUTBOARD LATCH FLOOR BOLTS 25 Nm (18.5 ft. lbs.)
31 - SEAT CUSHION PIVOT BOLT 25 Nm (18.5 ft. lbs.)
8 - LATCH TO BACK FRAME BOLTS 45 Nm (33 ft. lbs.)
32 - LATCH TO BACK FRAME BOLTS 45 Nm (33 ft. lbs.)
9 - HEADREST BOLTS 8 Nm (71 in. lbs.)
33 - INNER LATCH FLOOR BOLTS 25 Nm (18.5 ft. lbs.)
10 - HEADREST
34 - 60% INBOARD BUCKLE
11 - HEADREST BEZEL
35 - INBOARD LATCH
12 - HEADREST BRACKET AND HINGE
36 - SEAT CUSHION PIVOT BOLT 25 Nm (18.5 ft. lbs.)
13 - RETRACTOR SCREW 55 Nm (40.5 ft. lbs.)
37 - 40% SEAT CUSHION FRAME
14 - RETRACTOR SCREW 55 Nm (40.5 ft. lbs.)
38 - 60% SEAT CUSHION FRAME
15 - 60% SEAT BACK FRAME
39 - BELT BUCKLE NUT 45 Nm (33 ft. lbs.)
16 - HEADREST
40 - 40% INBOARD BUCKLE
17 - HEADREST BEZEL
41 - BELT BUCKLE NUT 45 Nm (33 ft. lbs.)
18 - HEADREST BRACKET AND HINGE
42 - INNER LATCH COVER
19 - HEADREST RELEASE CABLE
43 - SEAT BELT RETRACTOR
20 - RELEASE HANDLE BEZEL
44 - INNER LATCH COVER
21 - RELEASE HANDLE
45 - SEAT CUSHION PIVOT BOLT 25 Nm (18.5 ft. lbs.)
22 - HEADREST BOLTS 8 Nm (71 in. lbs.)
46 - OUTBOARD LATCH
23 - OUTBOARD LATCH FLOOR BOLTS 25 Nm (18.5 ft. lbs.)
47 - OUTER LATCH COVER
24 - LATCH TO BACK FRAME BOLTS 45 Nm (33 ft. lbs.)
48 - SEAT BELT RETRACTOR