DESCRIPTION






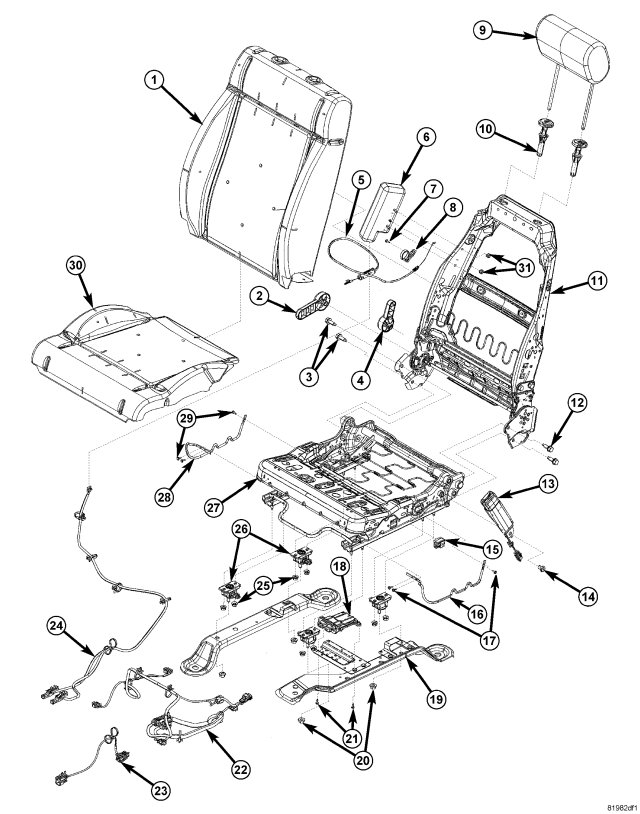
LEFT HAND SEAT – 2 WAY ADJUSTER


1 - SEAT BACK CUSHION/COVER
2 - AIR BAG NUTS 7 Nm (5 ft. lbs.)
3 - SEAT BACK FRAME
4 - HEADREST SLEEVES
5 - HEADREST
6 - SEAT AIR BAG
7 - RECLINER HANDLE
8 - EASY ENTRY HANDLE
9 - SCREW
10 - EASY ENTRY CABLE ROUTER
11 - EASY ENTRY CABLE
12 - BACK ASSEMBLY BOLTS 47 Nm (34.5 ft. lbs.)
13 - SEAT CUSHION FRAME
14 - WIRE HARNESS
15 - SEAT AIR BAG HARNESS
16 - WIRE HARNESS
17 - RIVETS
18 - TRIM ATTACHMENT WIRE
19 - RISER NUTS 28 Nm (20.5 ft. lbs.)
20 - OUTBOARD RISER
21 - RISER NUTS 28 Nm (20.5 ft. lbs.)
22 - INBOARD RISER
23 - TRIM ATTACHMENT WIRE
24 - RIVETS
25 - SEAT TRACK POSITION SENSOR
26 - SEAT CUSHION/COVER
27 - SEAT BELT BUCKLE BOLT 50 Nm (37 ft. lbs.)
28 - SEAT BELT BUCKLE
29 - BACK ASSEMBLY BOLTS 47 Nm (34.5 ft. lbs.)






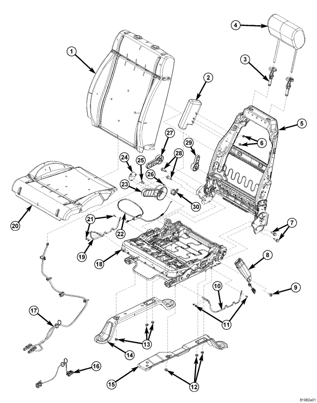
LEFT HAND SEAT – 4 WAY ADJUSTER


1 - SEAT BACK CUSHION/COVER
2 - AIR BAG NUTS 7 Nm (5 ft. lbs.)
3 - SEAT BACK FRAME
4 - HEADREST SLEEVES
5 - HEADREST
6 - SEAT AIR BAG
7 - RECLINER HANDLE
8 - EASY ENTRY HANDLE
9 - SCREW
10 - EASY ENTRY CABLE ROUTER
11 - EASY ENTRY CABLE
12 - BACK ASSEMBLY BOLTS 47 Nm (34.5 ft. lbs.)
13 - LIFT HANDLE
14 - LIFT HANDLE CAP
15 - LIFT HANDLE SCREW
16 - WIRE HARNESS
17 - SEAT AIR BAG HARNESS
18 - RIVETS
19 - TRIM ATTACHMENT WIRE
20 - WIRE HARNESS
21 - RISER NUTS 28 Nm (20.5 ft. lbs.)
22 - OUTBOARD RISER
23 - RISER NUTS 28 Nm (20.5 ft. lbs.)
24 - INBOARD RISER
25 - TRIM ATTACHMENT WIRE
26 - RIVETS
27 - SEAT CUSHION/COVER
28 - SEAT TRACK POSITION SENSOR
29 - SEAT BELT BUCKLE BOLT 50 Nm (37 ft. lbs.)
30 - SEAT BELT BUCKLE
31 - SEAT BELT BUCKLE
32 - BACK ASSEMBLY BOLTS 47 Nm (34.5 ft. lbs.)






RIGHT HAND SEAT – 2 WAY ADJUSTER


1 - SEAT BACK CUSHION/COVER
2 - RECLINER HANDLE
3 - BACK ASSEMBLY BOLTS 47 Nm (34.5 ft. lbs.)
4 - EASY ENTRY HANDLE
5 - EASY ENTRY CABLE
6 - SEAT AIR BAG
7 - SCREW
8 - EASY ENTRY CABLE ROUTER
9 - HEADREST
10 - HEADREST SLEEVE
11 - SEAT BACK FRAME
12 - BACK ASSEMBLY BOLTS 47 Nm (34.5 ft. lbs.)
13 - SEAT BELT BUCKLE
14 - SEAT BELT BUCKLE BOLT 50 Nm (37 ft. lbs.)
15 - SEAT TRACK POSITION SENSOR
16 - TRIM ATTACHMENT WIRE
17 - RIVETS
18 - OCS MODULE
19 - INBOARD RISER
20 - CENTER OCS STRAIN GAUGE STUD NUT 45 Nm (33 ft. lbs.)
21 - MODULE SCREWS
22 - WIRE HARNESS
23 - WIRE HARNESS
24 - AIR BAG HARNESS
25 - OCS RISER NUTS 28 Nm (21 ft. lbs.)
26 - OCS STRAIN GAUGE (4)
27 - SEAT CUSHION FRAME
28 - TRIM ATTACHMENT WIRE
29 - RIVETS
30 - SEAT CUSHION/COVER
31 - AIR BAG NUTS 7 Nm (5 ft. lbs.)






RIGHT HAND SEAT – 4 WAY ADJUSTER


1 - SEAT BACK CUSHION/COVER
2 - SEAT AIR BAG
3 - HEADREST SLEEVES
4 - HEADREST
5 - SEAT BACK FRAME
6 - AIR BAG NUTS 7 Nm (5 ft. lbs.)
7 - BACK ASSEMBLY BOLTS 47 Nm (34.5 ft. lbs.)
8 - SEAT BELT BUCKLE
9 - SEAT BELT BUCKLE BOLT 50 Nm (37 ft. lbs.)
10 - TRIM ATTACHMENT WIRE
11 - RIVETS
12 - RISER NUTS 28 Nm (21 ft. lbs.)
13 - RISER NUTS 28 Nm (21 ft. lbs.)
14 - OUTBOARD RISER
15 - INBOARD RISER
16 - WIRE HARNESS
17 - SIDE AIR BAG WIRE HARNESS
18 - SEAT CUSHION FRAME
19 - TRIM ATTACHMENT WIRE
20 - SEAT CUSHION/COVER
21 - RIVETS
22 - EASY ENTRY CABLE
23 - LIFT HANDLE
24 - LIFT HANDLE CAP
25 - LIFT HANDLE SCREW
26 - SCREW
27 - RECLINER HANDLE
28 - BACK ASSEMBLY BOLTS 47 Nm (34.5 ft. lbs.)
29 - EASY ENTRY HANDLE
30 - EASY ENTRY CABLE ROUTER