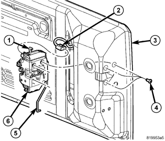
INSTALLATION

1.
Connect the electrical connector (2) and install the latch into the tail gate (3).
2.
Install the screws (4) and tighten to 8 Nm (71 in. lbs.).

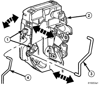
3.
Connect the latch rods (3 and 4) and secure the clips (1) fully.

4.
Position the latch trim (2) onto the tailgate opening and seat fully.
5.
Adjust the latch if necessary,
(Refer to 23 - BODY/TAILGATE/LATCH - ADJUSTMENTS).