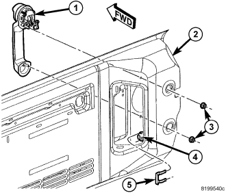
INSTALLATION




1. Install the handle (1) and install the nuts (3).
2. Tighten the nuts to 4.5 Nm (40 in. lbs.)



3. Connect the latch rod (2) to the handle (1).



4. Position the latch trim (2) onto the tailgate opening and seat fully.