DESCRIPTION






2 DOOR EXPLODED VIEW


1 - RIGHT SIDE SPORT BAR
2 - CROSS BAR
3 - UPPER CROSS BAR BRACKETS
4 - CROSS BAR BRACKET BOLTS 19 Nm (14 ft. lbs.)
5 - SIDE BAR TO SPORT BAR BOLTS 19 Nm (14 ft. lbs.)
6 - REAR SPORT BAR BOLTS 19 Nm (14 ft. lbs.)
7 - LEFT SPORT BAR
8 - SPORT BAR TO B-PILLAR BOLTS 19 Nm (14 ft. lbs.)
9 - LEFT SIDE BAR
10 - SIDE BAR TO WINDSHIELD FRAME BOLTS 23 Nm (17 ft. lbs.)
11 - RIGHT SIDE BAR






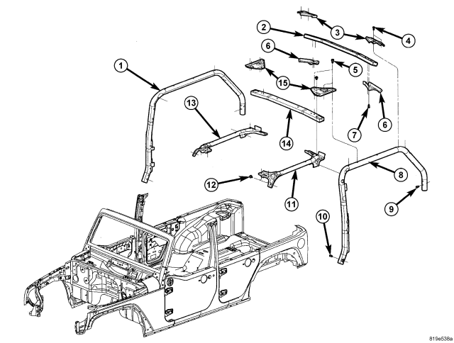
4 DOOR EXPLODED VIEW


1 - RIGHT SIDE SPORT BAR
2 - REAR CROSS BAR
3 - REAR CROSS BAR BRACKETS
4 - REAR CROSS BAR BRACKETS BOLTS 19 Nm (14 ft. lbs.)
5 - FRONT CROSS BAR BRACKETS BOLTS 19 Nm (14 ft. lbs.)
6 - REAR CROSS BAR LOWER BRACKETS
7 - REAR CROSS BAR LOWER BRACKET BOLTS 19 Nm (14 ft. lbs.)
8 - LEFT SIDE SPORT BAR
9 - REAR SPORT BAR BOLTS 19 Nm (14 ft. lbs.)
10 - SPORT BAR B-PILLAR BOLTS 19 Nm (14 ft. lbs.)
11 - LEFT SIDE SPORT BAR
12 - SIDE BAR TO WINDSHIELD FRAME BOLTS 23 Nm (17 ft. lbs.)
13 - RIGHT SIDE BAR
14 - FRONT CROSS BAR
15 - FRONT CROSS BAR BRACKETS