REMOVAL

1.
On 4x4 vehicles grasp the transfer case shifter knob and pull straight up and remove the knob.

2.
On manual transmission vehicles, using a trim stick C-4755 or equivalent, separate the shifter boot (2) from the console bezel (1).

3.
Remove the bolt (3) and remove the manual transmission shifter (2) from the shifter shaft (1).

4.
Remove the cup holder or ash receiver (1), if equipped.
5.
Using a trim stick C-4755 or equivalent, remove the console bezel (2).

6.
Disconnect the electrical connector (1).

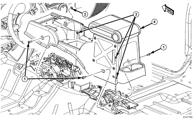
7.
Remove the four console screws (1).
8.
Lift the console (4) up off the clip retainers (3) and remove.