REMOVAL

1.
Disconnect the electrical connector (3) at the A-pillar cowl area and separate the check strap (2) from the footman's loop (1).
2.
Open the doors past 90 degrees to aid in removal of the I/P assembly.

3.
Disconnect and isolate battery negative cable.
4.
Remove the center console,
(Refer to 23 - BODY/INTERIOR/CENTER CONSOLE - REMOVAL).

5.
Disconnect the center I/P wire harness electrical connectors (1, 2 and 3).

6.
Release the push pin hangers (2) and position aside the harness (1).

7.
Using a trim stick C-4755 or equivalent, release the tabs and separate the lower steering column opening cover (1).

8.
Using a trim stick C-4755 or equivalent, release the upper clips (1) and rotate the steering column opening cover (3) down and remove from lower tabs (2).

9.
Remove the bolts (1) and remove the reinforcement plate (2).
10.
Remove the amplifier,
(Refer to 8 - ELECTRICAL/AUDIO/AMPLIFIER - REMOVAL).
11.
Remove the steering column as necessary,
(Refer to 19 - STEERING/COLUMN - REMOVAL).

12.
Using a trim stick C-4755 or equivalent, remove the end caps (1).
13.
On automatic transmission vehicles, remove the shifter,
(Refer to 21 - TRANSMISSION/TRANSAXLE/AUTOMATIC - 45RFE/545RFE/SHIFT MECHANISM
- REMOVAL).
14.
Remove the transfercase shifter,
(Refer to 21 - TRANSMISSION/TRANSAXLE/TRANSFER CASE/SHIFT LEVER - REMOVAL).

15.
Using a trim stick C-4755 or equivalent, release the clips (2) and rotate the lower center trim (3) down and release the tabs (1).

16.
Using a trim stick C-4755 or equivalent (2), release the clips in the rear of the upper trim (1).

17.
Rotate the upper trim (2) back and release the front (1).

18.
Disconnect the electrical connector (4) and remove the upper center cover (1).

19.
Remove the screws (2) and using a trim stick C-4755 or equivalent, separate the center bezel (1).

20.
Disconnect the HVAC control cables (1 and 9) and disconnect the electrical connectors (3).
21.
Remove the radio,
(Refer to 8 - ELECTRICAL/AUDIO/RADIO - REMOVAL).

22.
Remove the screws (2) and remove the center I/P trim panels (1 and 3).

23.
Remove the nuts (2) and bolts (1) and remove the center support brackets (4).

24.
Remove the clutch pedal clip and separate the clutch pedal rod, if equipped.
25.
Remove the brake pedal clip (2) and separate the brake pedal rod (1).

26.
Remove the nuts and separate the grounds (2).

27.
Disconnect the driver's side electrical connectors.
28.
Disconnect the passenger side electrical connectors (1 and 2).

29.
Disconnect the antenna connector (1).

30.
Remove the glove box (1).

31.
Drain the refrigerant,
(Refer to 24 - HEATING & AIR CONDITIONING/PLUMBING - STANDARD PROCEDURE).
32.
Drain the coolant,
(Refer to 7 - COOLING - STANDARD PROCEDURE).
33.
Remove the EGR tube (1),
(Refer to 25 - EMISSIONS CONTROL/EXHAUST GAS RECIRCULATION/VALVE - REMOVAL).

34.
Using cable-type spring clamp pliers or equivalent, release the hose clamps that secure the heater hoses (2) to the heater core tubes (1) and disconnect the hoses from the tubes. Install plugs
in, or tape over the opened heater core tubes to prevent coolant spillage during HVAC housing assembly removal.

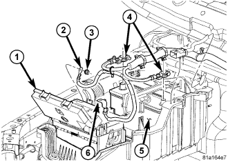
35.
Remove the nut (2) that secures the A/C liquid line (3) and A/C suction line (5) to the A/C expansion valve (1).
36.
Disconnect the A/C liquid and suction lines from the A/C expansion valve and remove and discard the O-ring seals.
37.
Install plugs in, or tape over the opened refrigerant line fittings and the expansion valve ports.

38.
Position aside the harness at the brake booster.
39.
Remove the brake booster bracket nuts (2).

40.
Disconnect the positive battery cable.
41.
Remove the right side ground.
42.
Position aside the power steering reservoir.
43.
Remove the battery tray,
(Refer to 8 - ELECTRICAL/BATTERY SYSTEM/TRAY - REMOVAL).

44.
Release the wire harness grommet (2) and separate any remaining support clips for the wires harness (1).

45.
Remove the trim caps (2) and remove the fenceline nuts (3).

46.
Remove the side support bolts (1) and position the I/P assembly back.

47.
Pull the main wire harness (2) from the hole in the cowl (1).

48.
Remove the I/P from the vehicle.