INSTALLATION
Front

1.
Connect the marker light electrical connector, if equipped.
2.
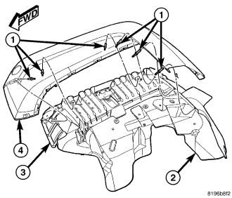
Position the flare (1) onto the body (3) and seat the support clips fully.

3.
Install rivets (1) attaching the flare (4) to the support (3).
Rear

1.
Position the flare (3) onto the body (1) and seat the support clips fully.

2.
Install rivets (2) attaching the flare (1) to the wheelhouse splash shield (3)