INSTALLATION

NOTE:
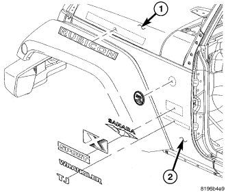
Make sure the body surface is completely clean before applying the emblem.
1.
Remove protective cover from adhesive tape on back of emblem.
2.
Position the correct emblem properly on the body (2) and hood (1).

3.
Position the correct emblem properly on the body (1).
4.
Press emblem firmly to the body with the palm of hand.
5.
If temperature is below 21 degrees C (70 degrees F) warm emblem with a heat lamp or gun to assure adhesion. Do not exceed 52 degrees C (120 degrees F) when heating emblem.