INSTALLATION

NOTE:
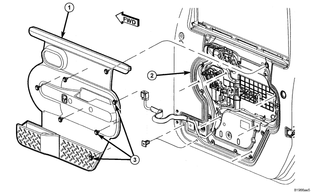
Full front door shown, rear door similar.
1.
Position the trim panel (1) into place and seat the push pin fasteners (3) fully.

NOTE:
Full front door shown, rear door similar.
2.
Install the pull handle screws (3) and install the trim caps (2).
3.
Install the trim panel screws (1), if equipped.

4.
If equipped with a manual window regulator, position the window crank handle retaining clip (1) back into place and install the window crank handle (2) onto the lift mechanism shaft and seat fully.