*NO CRANK CONDITION





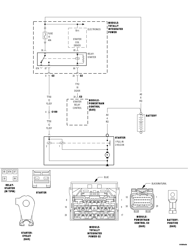
For a complete wiring diagram Refer to Section 8W.



Possible Causes
MECHANICAL CONDITION
FUSED B+ CIRCUITS OPEN
BATTERY CIRCUIT RESISTANCE TOO HIGH
(T752) STARTER RELAY CONTROL CIRCUIT SHORTED TO GROUND
(T752) STARTER RELAY CONTROL CIRCUIT OPEN
(T750) STARTER RELAY OUTPUT CIRCUIT SHORTED TO GROUND
(T750) STARTER RELAY OUTPUT CIRCUIT OPEN
TRANSMISSION RANGE SENSOR
TIPM
PCM
STARTER




Diagnostic Test

1. MECHANICAL CONDITION

NOTE: Verify the battery is fully charged and capable of passing a load test before continuing.

WARNING: Make sure the battery is disconnected, then wait two minutes before proceeding. Failure to do so may result in personal injury or possible death.


Turn the engine over by hand to make sure the engine is not seized.

Is the engine able to turn over?

Yes


No

2. PCM FUSED B+ CIRCUITS



Turn the ignition off.
Disconnect the C1 PCM harness connector.

CAUTION: Do not probe the PCM harness connectors. Probing the PCM harness connectors will damage the PCM terminals resulting in poor terminal to pin connection. Install Miller Special Tool #8815 to perform diagnosis.


Using a 12-volt test light connected to ground, probe the Fused B+ circuits at the appropriate terminals of special too #8815.

Does the test light illuminate brightly?

Yes


No

3. TRANSMISSION RANGE SENSOR



Turn the ignition off.
Disconnect the TRS harness connectors.
Move the Gear selector through all gear positions, from Park to 1st and back.
While moving the gear selector through each gear, measure the resistance between ground and the TRS (T41) Sense (P/N Sense) circuit at the TRS connector.

NOTE: The circuit is grounded in Park and Neutral and open in the other positions.



Did the resistance change from above 100 kohms (open) to below 10.0 ohms (grounded) ?

Yes


No

4. EXCESSIVE RESISTANCE IN THE BATTERY CIRCUIT

Turn the ignition off.
Check the Battery Cables for excessive resistance using the service information procedure.

Did either Battery Cable have a voltage drop greater than 0.2 of a volt?

Yes


No

5. STARTER


CAUTION: The Parking Brake must be on and the Transmission must be in park for a vehicle equipped with an automatic transmission.

WARNING: When the engine is operating, do not stand in direct line with the fan. Do not put your hands near the pulleys, belts, or fan. Do not wear loose clothing. Failure to follow these instructions can result in personal injury or death.


Turn ignition off.
Disconnect the Starter Solenoid harness connector.

NOTE: The Stater Solenoid harness connector must remain disconnected at this time.


Have an assistant turn the ignition key to the CRANK position.
Using a 12-volt test light connected ground, probe the (T750) Stater Relay Output circuit in the Starter Solenoid harness connector while the ignition key is in the CRANK position.

Does the test light illuminate brightly?

Yes


No

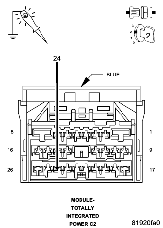
6. (T752) STARTER RELAY CONTROL CIRCUIT CHECK



Turn the ignition off.
Disconnect the C2 TIPM harness connector.
Use a 12-volt test light connected to ground and probe the (T752) Starter Relay Control circuit in the C2 TIPM harness connector.

WARNING: When the engine is operating, do not stand in direct line with the fan. Do not put your hands near the pulleys, belts, or fan. Do not wear loose clothing. Failure to follow these instructions can result in personal injury or death.


Have an assistant turn the key to the CRANK position.

Does the test light illuminate brightly when the key is turned to the crank condition?

Yes


No

7. (T750) STARTER CONTROL OUTPUT CIRCUIT OPEN



Disconnect the Starter Solenoid connector.
Measure the resistance of the (T750) Starter Control Output circuit between the Starter Solenoid harness connector and the C2 TIPM harness connector.

Is the resistance below 5.0 ohms?

Yes


No

8. (T750) STARTER RELAY OUTPUT CIRCUIT SHORTED TO GROUND



Measure the resistance between ground and the (T750) Starter Relay Output circuit in the Starter Solenoid harness connector.

Is the resistance below 100 ohms?

Yes


No

9. TOTALLY INTEGRATED POWER MODULE

NOTE: Before continuing, check the TIPM harness connector terminals for corrosion, damage, or terminal push out. Repair as necessary.


Using the schematics as a guide, inspect the wire harness and connectors.
Pay particular attention to all Power and Ground circuits.

Were any problems found?

Yes


No