DISASSEMBLY




1. Drain fluid from transmission.
2. Clean exterior of transmission with suitable solvent or pressure washer.
3. Remove the torque converter from the transmission.
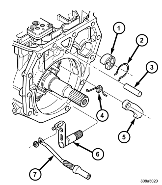
4. Remove the manual shift lever (1) from the transmission.



5. Remove the input (3), output (1), and line pressure sensors (2) from the transmission case.
6. Inspect the ends of the sensors for debris, which may indicate the nature of the transmission failure.



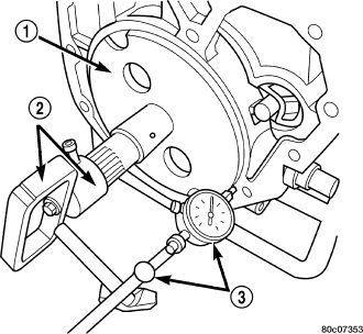
7. Install Support Stand 8257 (1) onto the transmission case.



8. Using Adapter 8266-1 from End-Play Tool Set 8266 (1) and Dial Indicator C-3339 (2), measure and record the input shaft end-play.

NOTE: When measuring the input shaft end-play, two "stops" will be felt. When the input shaft is pushed inward and the dial indicator zeroed, the first "stop" felt when the input shaft is pulled outward is the movement of the input shaft in the input clutch housing hub. This value should not be included in the end-play measured value and therefore must be recorded and subtracted from the dial indicator reading.




9. Remove the bolts holding the transmission extension/adapter housing to the transmission case.
10. Remove the extension/adapter housing from the transmission case.
11. Using Alignment Plate 8261 (1), Adapter 8266-17 from End-Play Tool Set 8266 (2) and Dial Indicator C-3339 (3), measure and record the output shaft end-play.



12. Remove the bolts holding the transmission oil pan to the transmission case.
13. Remove the transmission oil pan from the transmission case.
14. Remove the primary oil filter (1) and the oil cooler return filter (2).



15. Remove the bolts (1) holding the valve body to the transmission case.
16. Remove the valve body from the transmission case.



17. Remove the outer snap-ring (3) securing the transmission front cover (1) into the transmission case.
18. Reaching through a case opening in the valve body area with a long blunted tool, remove the transmission front cover (1) from the transmission case.



19. Remove the bolts (1) holding the oil pump into the transmission case.
20. Remove the oil pump (2). Hold inward on the input shaft to prevent pulling the input clutch assembly with the oil pump.

CAUTION: If the input shaft is not held during oil pump removal, the input clutch assembly will attempt to move forward with the oil pump and the numbers 2, 3, or 4 bearings inside the input clutch assembly may become dislodged.




21. Remove the number 1 thrust bearing (4) from the input clutch assembly.
22. Remove the input clutch assembly (3) from the transmission case.
23. Remove the number 5 thrust bearing (1) and selective thrust plate (2) from the input clutch assembly (3) , or the 4C clutch retainer/bulkhead.



24. Remove the 4C clutch retainer/bulkhead tapered snap-ring (1) from the transmission case.
25. Remove the 4C clutch retainer/bulkhead (2) from the transmission case.



26. Remove the front 2C clutch pack snap-ring (1) from the transmission case.
27. Remove the 2C clutch pack (2, 3, 4) from the transmission case.



Remove Reaction Annulus and Carrier


1 - THRUST BEARING NUMBER 8
5 - THRUST BEARING NUMBER 7
2 - THRUST BEARING NUMBER 9
6 - THRUST PLATE (SELECT)
3 - REACTION PLANETARY CARRIER
7 - THRUST BEARING NUMBER 6
4 - REACTION SUN GEAR
8 - REACTION ANNULUS


28. Remove the rear selective thrust plate (6) and number 6 thrust bearing (7) from the reaction annulus (8).
29. Remove the reaction annulus (8) from the reaction planetary carrier (3).
30. Remove the number 7 thrust bearing (5).
31. Remove the reaction sun gear (4).
32. Remove the number 8 thrust bearing (1) from the reaction planetary carrier (3).
33. Remove the reaction planetary carrier (3) . Note that this planetary gear set has three pinion gears.
34. Remove the number 9 thrust bearing (2) from the reverse planetary gear set.



35. Remove the snap-ring (1) holding the park sprag gear onto the output shaft.



36. Remove the park sprag gear (1) from the output shaft.





37. Remove the input/reverse planetary assembly (1).
38. Remove the number 12 thrust bearing (3) from the input/reverse planetary assembly (1).



39. Remove the snap-ring (2) holding the low/reverse clutch retainer (1) into the transmission case.
40. Remove the low/reverse clutch retainer (1) from the transmission case.



41. Remove the park rod (7) and e-clip.
42. Remove the park rod guide snap-ring (2).
43. Remove the park rod guide (1).
44. Remove the park pawl pivot shaft (3), park pawl (5), and spring (4).
45. Remove the manual selector shaft (6).
46. Remove the manual selector shaft seal.
47. Remove the dipstick tube seal.