INSTALLATION

CAUTION:
The original Cab Compartment Node (CCN) and Powertrain Control Module (PCM) must be installed and functioning properly prior to powering up the new Totally Integrated Power
Module (TIPM). The TIPM receives vehicle configuration data from the CCN and Vehicle Identification Number information from the PCM. If configuration information becomes lost or corrupted, the data can
be obtained from DealerCONNECT
NOTE:
Left hand drive gasoline engine shown, left hand drive diesel similar. Right hand drive gasoline and diesel similar with the battery and related components packaged on the
left side of the engine compartment.
1.
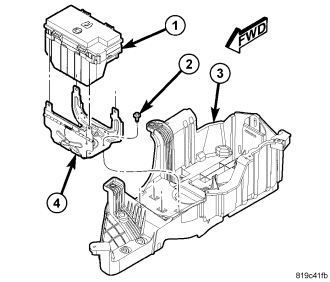
Position the TIPM (1) into the engine compartment.
2.
Connect each of the seven TIPM wire harness connectors.
3.
Position the TIPM (1) onto the mounting bracket (4) and push down until the mounting clips are fully seated.

4.
Position the TIPM positive cable (4) onto the mounting stud and install the retaining nut (2). Tighten the nut to 9 - 11 Nm (80 - 100 in. lbs.).
5.
Open the TIPM cover (1) and fully seat the Airbag fuse holder (two fuses in one yellow carrier) and the Ignition Off Draw (IOD) fuse.
6.
Connect the battery negative cable.
7.
Close the hood.
8.
Insert the ignition key and turn it to the “RUN” position and wait twelve seconds. The TIPM will collect the necessary vehicle configuration and VIN data from the CCN and PCM at this
time. After twelve seconds turn the ignition key to the “OFF” position and then back to the “ON” position and verify proper vehicle systems operation.