GASOLINE ENGINE

1.
Disconnect and isolate the battery negative cable.
2.
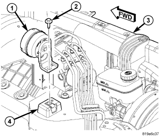
Locate the alarm siren module (1) on the component tray on the inboard side of the right front fender load path beam (3).
3.
Disconnect the engine compartment wire harness connector from the connector receptacle of the siren.
4.
Remove the screw (2) that secures the siren mounting bracket to the U-nut and stanchion on the component tray.
5.
Remove the siren and mounting bracket from the component tray as a unit.