
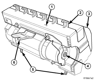
The rearward-facing surface of the injection molded, thermoplastic passenger airbag door (1) is the most visible part of the passenger airbag. The passenger airbag door is located above the glove box (2) opening on the top and face of the instrument panel in front of the front seat passenger seating position. The airbag door also includes a depressed area and clearance holes to accommodate the instrument panel grab handle (3). The edges of the airbag door are secured with integral snap features to the instrument panel base trim.

Located below the passenger airbag door within the instrument panel is the passenger airbag unit. The passenger airbag unit is secured through two lower studs (5) and a stamped upper mounting bracket (6) to the die cast instrument panel structural support armature.
The passenger airbag housing (1) fits into a molded receptacle on the back of the airbag door, where several stamped hook formations (2) on the upper and lower edges of the airbag housing are engaged in mating small window openings on the upper and lower flanges of the receptacle to secure the airbag door to the airbag housing. These airbag door fasteners and mounting provisions are all concealed beneath the instrument panel base trim.
The passenger airbag unit used in this vehicle is a multistage, Next Generation-type that complies with revised federal airbag standards to deploy with less force than those used in some prior vehicles. The passenger airbag unit consists of a stamped and welded metal housing, the airbag cushion (3), and dual airbag inflators. The airbag housing contains the airbag inflators and the folded airbag cushion. An approximately 80 centimeter (31.5 inch) wide by 90 centimeter (35.5 inch) high rectangular fabric cushion is used.
The airbag inflator is a non-azide, pyrotechnic-type unit that is secured to and sealed within the airbag housing. Two inflator initiators (4) are connected to the vehicle electrical system through dedicated take outs and connectors of the instrument panel wire harness.
A service replacement passenger airbag does not include the airbag door. The passenger airbag door may be disassembled from the passenger airbag and is available for individual service replacement. The passenger airbag unit cannot be repaired and must be replaced if deployed, ineffective, or in any way damaged.