LAMP - DOMESTIC

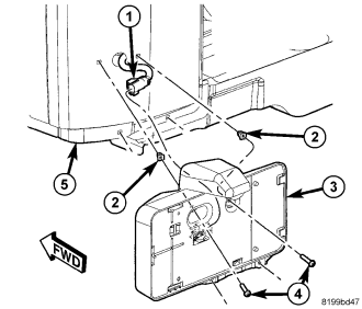
1.
Disconnect and isolate the battery negative cable.
2.
Remove the license plate from the rear license plate bracket.
3.
Remove the four screws (4) that secure the rear license plate bracket and lamp unit (3) to the four spring nuts (2) in the rear body sheet metal (5).
4.
Pull the bracket and lamp unit away from the rear body sheet metal far enough to access and disconnect the body wire harness connector (1) from the connector on the back of the bracket and lamp
unit housing.
5.
Remove the bracket and lamp unit from the vehicle.