
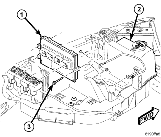
The PCM (Powertrain Control Module) (1) is located in the engine compartment near the windshield washer reservoir tank (2).
Use a diagnostic scan tool to reprogram the new Powertrain Control Module (PCM) with the vehicles original identification number (VIN) and the vehicles original mileage. If this step is not done, a Diagnostic Trouble Code (DTC) may be set.
To avoid possible voltage spike damage to the PCM, ignition key must be off, and negative battery cable must be disconnected before unplugging PCM connectors.