*NO RESPONSE FROM FDCM (FINAL DRIVE CONTROL MODULE)





For a complete wiring diagram Refer to Section 8W.



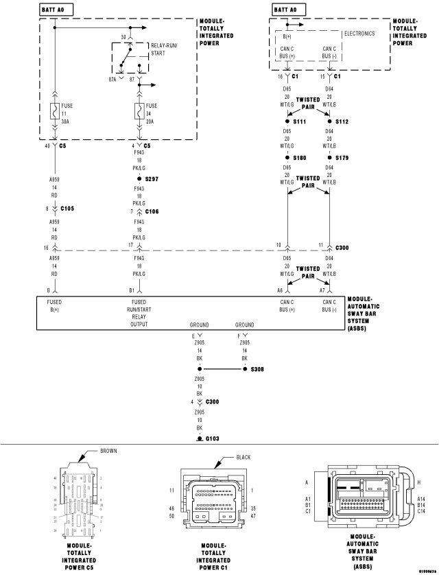
Possible Causes
(A959) FUSED B(+) CIRCUIT OPEN OR SHORTED
(Z905) GROUND CIRCUIT OPEN
(F943) FUSED RUN/START RELAY OUTPUT CIRCUIT OPEN OR SHORTED
(D65) CAN C BUS (+) CIRCUIT OPEN
(D64) CAN C BUS (-) CIRCUIT OPEN
ANTILOCK BRAKE MODULE




Diagnostic Test

1. TEST FOR INTERMITTENT CONDITION

Turn the ignition on.

NOTE: Ensure the IOD fuse is installed and battery voltage is between 10.0 and 16.0 volts.


With the scan tool, select ECU View.

NOTE: A red X will be next to the module that is not communicating, indicating that the module is not active on the Bus network. A green check indicates that the module is active on the Bus network.


NOTE: Check the TIPM for any active CAN C hardware DTCs, perform DTC before proceeding.



Does the scan tool display a red X next to the module?

Yes


No

2. (A959) FUSED B(+) CIRCUIT OPEN OR SHORTED



Turn the ignition off.
Disconnect the Stabilizer Bar Control Module harness connector.
Using a 12-volt test light connected to ground, check each (A959) Fused B(+) circuit.

Does the test light illuminate brightly for each circuit?

Yes


No

3. (Z905) GROUND CIRCUIT OPEN



Using a 12-volt test light connected to 12-volts, check the (Z905) ground circuit.

Does the test light illuminate brightly?

Yes


No

4. (F943) FUSED RUN/START RELAY OUTPUT CIRCUIT OPEN OR SHORTED



Turn the ignition on.
Using a 12-volt test light connected to ground, check the (F943) Fused Run/Relay Output circuit.

Does the test light illuminate brightly?

Yes


No

5. (D65) CAN C BUS (+) CIRCUIT OPEN



Turn the ignition off.
Disconnect the TIPM C1 harness connector.
Measure the resistance of the (D65) CAN C Bus (+) circuit between the TIPM C1 harness connector and the Stabilizer Bar Control Module connector.

Is resistance below 5.0 ohms?

Yes


No

6. (D64) CAN C BUS (-) CIRCUIT OPEN



Measure the resistance of the (D64) CAN C Bus (-) circuit between the TIPM C1 harness connector and the Stabilizer Bar Control Module connector.

Is resistance below 5.0 ohms?

Yes


No