REMOVAL
NOTE:
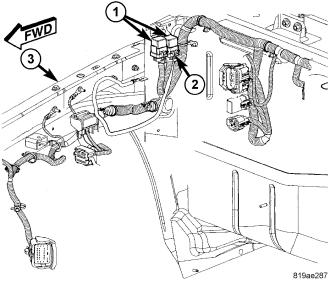
LHD model shown in illustrations. RHD model similar.

1.
Disconnect and isolate the negative battery cable.
2.
Remove the positive temperature coefficient (PTC) relays number 1 and 2 (1) as necessary from the diesel accessory fuse/relay block (2) located at the inner right front fender (3).

3.
Remove the PTC relay number 3 (1) as necessary from the diesel accessory fuse/relay block (2) located at the inner left front fender (3).