REMOVAL
WARNING:
Refer to the applicable warnings and cautions for this system before performing the following operation
(refer
to 24 - HEATING & AIR CONDITIONING/PLUMBING - WARNING) and
(refer to 24 - HEATING & AIR CONDITIONING/PLUMBING - CAUTION). Failure to
follow the warnings and cautions could result in possible personal injury or death.
NOTE:
The A/C liquid line can be serviced separately from the A/C suction line.
NOTE:
3.8L engine shown in illustrations. 2.8L engine similar.

1.
Disconnect and isolate the negative battery cable.
2.
Recover the refrigerant from the refrigerant system
(refer to 24 - HEATING & AIR CONDITIONING/PLUMBING - STANDARD PROCEDURE -
REFRIGERANT SYSTEM RECOVERY).
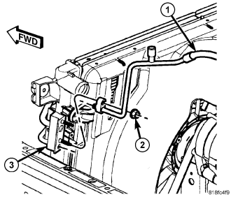
3.
Remove the nut (2) that secures the A/C liquid line (3) and A/C suction line (5) to the A/C expansion valve (1).
4.
Disconnect the A/C liquid and suction lines from the A/C expansion valve and remove and discard the O-ring seals.
5.
If required remove the retaining bracket (4) that secures the A/C liquid line to the A/C suction line and separate the liquid line from the suction line.

6.
On 2.8L equipped models, disconnect the air intake hose from the throttle body and position the hose out of the way.
7.
Remove the nut (2) that secures the A/C liquid line (1) to the tapping block of the A/C condenser (3) located in the left front of the engine compartment.
8.
Disconnect the A/C liquid line from the A/C condenser and remove and discard the O-ring seal and gasket.
9.
Install plugs in, or tape over the opened suction and liquid line fittings and the condenser and expansion valve ports.