NOTE: (Refer to 21 - TRANSMISSION/AUTOMATIC - 42RLE - SCHEMATICS AND DIAGRAMS) for a visual aid in determining valve location, operation and design.

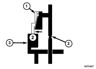
The thermal valve (1) is a bi-metallic shudder valve that helps control the venting rate of oil pressure in the underdrive clutch passage during release of the clutch. When the oil temperature is approximately 20 degrees F. ( - 6 degrees C.) or less, the valve is fully open to assist in venting oil past the U1 orifice (2). At temperatures above 20 degrees F . ( - 6 degrees C.) , the valve starts to close and becomes fully closed at approximately 140 degrees. The thermal valve is located in the transfer plate of the valve body.

The regulator valve (9) controls hydraulic pressure in the transmission. It receives unregulated pressure from the pump (6), which works against spring tension (8) to maintain oil at specific pressures. A system of sleeves and ports allows the regulator valve to work at one of three predetermined pressure levels. Regulated oil pressure is also referred to as “line pressure.”

The solenoid switch valve controls line pressure from the LR/CC solenoid (4). In one position, it allows the low/reverse clutch to be pressurized. In the other, it directs line pressure to the converter control and converter clutch valves (7).

The manual valve (4) is operated by the mechanical shift linkage. Its primary responsibility is to send line pressure to the appropriate hydraulic circuits and solenoids. The valve has three operating ranges or positions.

The main responsibility of the converter clutch switch valve (10) is to control hydraulic pressure applied to the front (off) side of the converter clutch piston. Line pressure from the regulator valve (5) is fed to the torque converter regulator valve (8). The pressure is then directed to the converter clutch switch valve (10) and to the front side of the converter clutch piston. This pressure pushes the piston back and disengages the converter clutch.

The converter clutch control valve (5) controls the back (on) side of the torque converter clutch (1). When the controller energizes or modulates the LR/CC solenoid to apply the converter clutch piston, both the converter clutch control valve (5) and the converter control valve move, allowing pressure to be applied to the back side of the clutch.
The torque converter regulator valve slightly regulates the flow of fluid to the torque converter.
The low/reverse clutch is applied from different sources, depending on whether low (1st) gear or reverse is selected. The low/reverse switch valve alternates positions depending on from which direction fluid pressure is applied. By design, when the valve is shifted by fluid pressure from one channel, the opposing channel is blocked. The switch valve alienates the possibility of a sticking ball check, thus providing consistent application of the low/reverse clutch under these operating conditions.