UPPER INTERMEDIATE SHAFT
1.
Disconnect the negative battery cable.
2.
Lock the steering wheel with the tires in the straight ahead position.
NOTE:
The steering column on vehicles with an automatic transmission may not be equipped with an internal locking shaft that allows the ignition key cylinder to be locked with the
key. Alternative methods of locking the steering wheel for service will have to be used.

3.
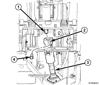
Remove the upper pinch bolt (2) at the upper intermediate shaft (1).
4.
Remove the upper coupler on the lower shaft (3) from the upper intermediate shaft (1).

5.
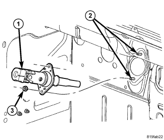
Remove the bolt (4) for the upper coupler (2) at the steering column (1).

6.
Remove the two nuts (3) securing the upper intermediate shaft to the cowl and remove the shaft (1) from the studs (2).
7.
Remove the upper intermediate shaft from the vehicle.