INSTALLATION
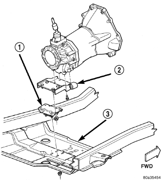
MANUAL TRANSMISSION

1.
Position the skid plate to the studs of the support cushion and install the nuts. Tighten the nuts to 28 Nm (21 ft. lbs.) torque.
2.
Install the skid plate bolts to the sill and tighten to 75 Nm (55 ft. lbs.) torque.
3.
Remove the transmission support.
4.
Lower the vehicle.
5.
Connect negative cable to battery.
6.
Position the transmission mount bracket to the transmission and install the bolts.
7.
Tighten the bolts to 54 Nm (40 ft. lbs.) torque.
8.
Position the support cushion (2) to the transmission mount bracket and install nuts.
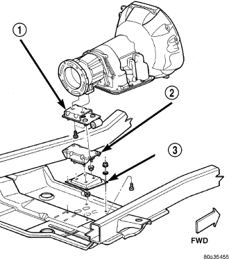
AUTOMATIC TRANSMISSION

1.
Position the skid plate to the studs of the support cushion and install the nuts. Tighten the nuts to 28 Nm (21 ft. lbs.) torque.
2.
Install the skid plate bolts to the sill and tighten to 75 Nm (55 ft. lbs.) torque.
3.
Remove the transmission support.
4.
Lower the vehicle.
5.
Connect negative cable to battery.
6.
Position the transmission mount bracket to the transmission and install the bolts. Tighten the bolts to 54 Nm (40 ft. lbs.) torque.
7.
Position the support cushion (2) to the transmission mount bracket and install nuts. Tighten the nuts to 41 Nm (30 ft. lbs.) torque.
8.
If the support cushion bracket was removed from the skid plate, position the bracket on the skid plate and install the nuts and bolts. Tighten the nuts to 28 Nm (21 ft. lbs.) torque.