REMOVAL
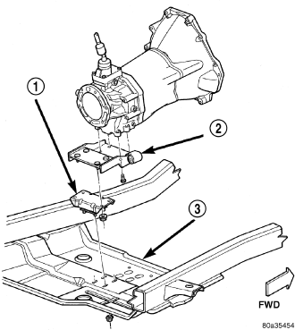
MANUAL TRANSMISSIONS

1.
Disconnect negative cable from battery.
2.
Raise the vehicle and support the transmission.
3.
Remove the nuts holding the support cushion to the skid plate.
4.
Remove nuts holding support cushion to transmission support bracket.
5.
Remove the support cushion (2) .
6.
Remove bolts holding transmission support bracket to transmission.
7.
Remove the transmission support bracket.
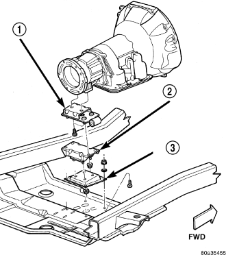
AUTOMATIC TRANSMISSIONS

1.
Disconnect negative cable from battery.
2.
Raise the vehicle and support the transmission.
3.
Remove the nuts holding the support cushion to the skid plate.
4.
Remove nuts holding support cushion to transmission support bracket. Remove the support cushion (2) .
5.
Remove the bolts holding the transmission support bracket to transmission.
6.
Remove the transmission support bracket.