
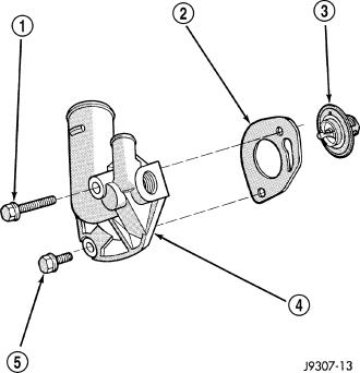
CAUTION: Do not operate an engine without a thermostat, except for servicing or testing.
The thermostat on all gas powered engines is located beneath the thermostat housing at the front of the intake manifold.
The thermostat is a wax pellet driven, reverse poppet choke type.
Coolant leakage into the pellet container will cause the thermostat to fail in the open position. Thermostats very rarely stick. Do not attempt to free a thermostat with a prying device.
The same thermostat is used for winter and summer seasons. An engine should not be operated without a thermostat, except for servicing or testing. Operating without a thermostat causes longer engine warm-up time, unreliable warm-up performance, increased exhaust emissions and crankcase condensation that can result in sludge formation.