REMOVAL

1.
Remove differential fill plug (2).
2.
Remove differential cover (1) and drain fluid.
3.
Remove axle shafts.

4.
Note reference letters stamped (1,2) on the bearing caps and housing machined sealing surface.

5.
Loosen differential bearing cap (1) bolts.

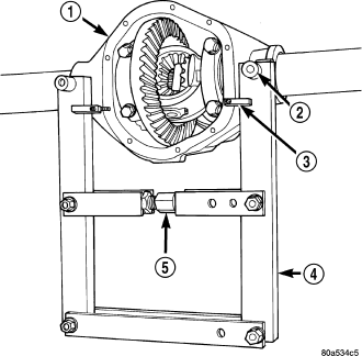
6.
Position Spreader W-129-B (4) with Adapter Kit 6987B (2) on differential locating holes. Install hold-down clamps (3) and tighten the turnbuckle (5) finger-tight.

7.
Install a Pin C-3288-B (5) at the left side of the differential housing. Attach Dial Indicator C-3339A (2) to pin. Load indicator plunger against the opposite side of the housing and zero the
indicator.

8.
Spread housing while measuring the distance with the dial indicator (1).
CAUTION:
Never spread housing over 0.50 mm (0.020 in). Failure to follow these instructions will damage the housing.

9.
Remove dial indicator.
10.
Holding differential case (2) in position, remove differential bearing caps.
11.
Remove differential case (2) from housing (1) and tag differential bearing cups (3) and shims location.
12.
Remove spreader from housing.
13.
Clean the housing cavity with flushing oil, light engine oil or lint free cloth.
NOTE:
Do not use water, steam, kerosene or gasoline for cleaning.