C2100–BATTERY VOLTAGE LOW





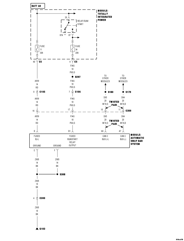
For a complete wiring diagram Refer to Section 8W



Possible Causes
INTERMITTENT BATTERY VOLTAGE LOW
CHARGING SYSTEM DTCS PRESENT
(A959) FUSED B+ CIRCUIT OPEN OR HIGH RESISTANCE
AUTOMATIC SWAY-BAR SYSTEM (ASBS)




Diagnostic Test

1. CHARGING SYSTEM DTCS PRESENT

Ignition on.
With the scan tool, select View DTCs in the Powertrain Control Module.

Are there any Charging System or related voltage DTCs present?

Yes


No

2. DTC IS ACTIVE

With the scan tool, select View DTCs in the ASBS.

Is the status Active for this DTC?

Yes


No

3. (A959) FUSED B+ CIRCUIT OPEN OR HIGH RESISTANCE



Turn the ignition off.
Disconnect the ASBS harness connector.
Turn the ignition on.
With a 12–volt test light connected to ground, check the (A959) Fused B+ circuit in the ASBS harness connector.

NOTE: The test light must illuminate brightly. Compare the brightness to that of a direct connection to the battery.



Does the test light illuminate brightly?

Yes


No

4. AUTOMATIC SWAY-BAR SYSTEM (ASBS)


View repair.

Repair

5. INTERMITTENT WIRING AND CONNECTORS

The conditions necessary to set this DTC are not present at this time.
Using the wiring diagram/schematic as a guide, inspect the wiring and connectors.
While monitoring the scan tool data relative to this circuit, wiggle test the wiring and connectors.
Look for the data to change or for the DTC to reset during the wiggle test.

Were any problems found?

Yes


No