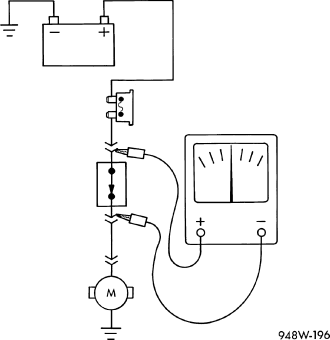
STANDARD PROCEDURE - TESTING FOR A VOLTAGE DROP

1.
Connect the positive lead of the voltmeter to the side of the circuit closest to the battery .
2.
Connect the other lead of the voltmeter to the other side of the switch, component or circuit.
3.
Operate the item.
4.
The voltmeter will show the difference in voltage between the two points.