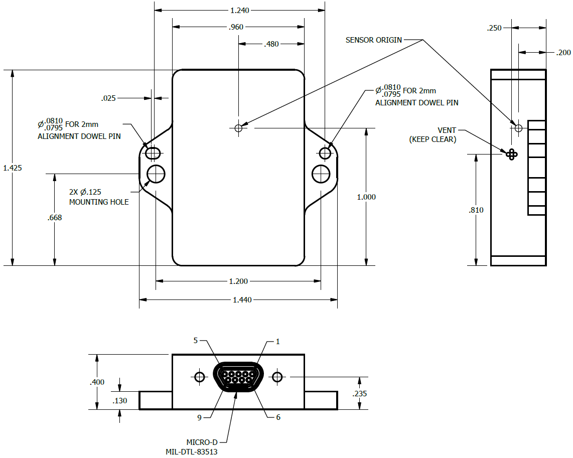
Mechanical
                                             
                                        
GV7 Compatible Cabling
| Part Numbers | Description | 
|---|---|
| 6212-0032 | IP68 Micro-D9 to USB with GPIO breakouts | 
| 6212-0031 | IP68 Micro-D9 to RS232 with GPIO breakouts | 
| 6212-1200 | IP68 Micro-D9 to flying leads |